■过电流保护继电器的定义
过电流继电器(OCR=Over Current Relay)是由变流器(CT)将电路短路、负载过载的过电流取出,按照其电流值的大小动作的继电器。
一般使用JIS C 4602(高压受电用过电流继电器)中规定 的过电流继电器。
在过电流继电器中有瞬间要素和限时要素2个动作要素,瞬间要素 检测规定容量500~1,500%的电流并动作。限时要素具有反限时特 性,随着电流大小的增大在第一时间动作;瞬间要素具有短时间 的定限时特性,可从继电器自身装备的动作显示器来区别是哪个 要素在动作,有利于事故处理。


■接地继电器的定义
接地继电器是在电路电缆、电气设备的绝缘老化或者发生破坏、接地、完全接地时,检测电路和大地间接触事故的继电器。
该继电器在电力的受电侧发生接地事故时,仅在受电侧 断路限定事故,防止波及高位配电用变电站。
出于该保护目的,有必要与高位(电力公司的配电用变电站)之间取得保护协调。
作为继电器,可通过零相变流器(ZCT)检测事故电流并根据其大小动作,或通过ZCT及零相电压检测装置(ZPD)的组合来检测事故电流并根据其大小和两者的相位关系动作分为2种,接地继 电器(GR=Ground Relay),接地方向继电器(DRG=Directional Ground Relay)一般情况下常使用GR,最近由于设备内电缆长度延长,为防止其他电路事故引起误动作,开始广泛t 使用DGR。

■电压继电器的定义
在异常电压下发电机的故障会导致电压急剧上升、停电或者因短路造成电压很低等情况。
电压继电器是根据交流电路的电压变动,达到电压预先 设定状态时,检测并动作的继电器。
基本的动作区别有过电压检测、欠电压检测2种。
●过电压继电器(OVR)
电压超过设定值时,进行接点动作,发出报警或者启动断路器的继电器。

●欠电压继电器(UVR)
电压为设定值以下时动作的继电器。
主要在电压过低保护、配电线的短路故障检测等中使用。

■电机·继电器的定义
即使是电机也有很多种类,作为产业设备的动力用,最为普及的是三相感应电机,而保护三相感应电机的设备,我们称为电机继电器。
保护电机是很重要的。
尽早检测异常,使电机自身及与其相关的负载损害控制在最小范围内,保护深井泵等更换烦琐的设备不被烧损。
随着电机小型化、轻薄化等要求的严格,重要度的提升,对其进行保护的电机继电器也渐渐要求高性能,高可靠性,从以前单纯的热量型向静止型(晶体管型)转移。

■电机·继电器的定义
●CGS的定义
CGS (Co-Generation System)是分散型电源的一种,利用燃气引 擎、燃气轮机等原动机驱动发电机,向区域内负载供给电力的同 时,利用原动机的排热供给暖气、供热水或者冷气。是提高能源综 合效率的系统,也称为热电联产系统。面对21世纪的能源目标,提 倡利用该家发电系统,拉开复合能源时代的帷幕。

●为什么需要连接用保护继电器?
在以前的受电端保护系统中,仅处理需要方区域内的事故(短路·接地),使受电端的断路器动作。
但是,在连接电力系统的分散型电源中,需要实现以下几方面:
①确保群众及操作人员的安全,不应对电力供给设备或者其他需要方的设备产生影响。
②在供给可靠性和电气的质量方面,不应对其他需要方产生不好的影响。
即,不仅是需要方区域内事故,在电力系统侧的停电及事故中也应进行检测,必须从系统中分离发电机。
具体示例如下:
①发电机不向系统的事故点供给事故电流。
②不容许逆流时,不向系统侧发送电力。
③系统中再开路时,不在非同步状态下结合两者的电压。

连接用保护继电器根据连接的系统种类(高压连接或特高连接)、分散型电源需要方的发电机类型(同步发电机或感应发电机)、系统的重要性,决定必须设置的机型。
必须可以确切检测所有条件下的系统事故。
●连接用保护继电器构成示例(高压受电需要方、同步发电机)
 |
 |
连接用保护继电器:不设置线路无电压确认装置时需要将保护装置双重化。(参见下页)
|
 |
发电机控制、保护继电器
|
|
●继电器根据事故形态的不同动作
下表简单显示了各个继电器对于各种事故的动作。
根据该矩阵图进行验证,选定必要的机型。
|
机型
|
名称
|
保护目的
|
设置相数等的条件
|
区域内事故
|
系统侧事故
|
动作的断路器(例)
|
|
接地
|
短路
|
接地
|
短路
|
继线·停电
|
|
OCR-H
|
过电流继电器
|
检测区域内设备的过载、短路事故
|
2相
|
—
|
○
|
—
|
—
|
—
|
受电端CB
|
|
OCGR
|
接地继电器
|
检测区域内设备的接地事故
|
1相(零相电路)区域内设备的对地静电容量较大时为DGR
|
○
|
—
|
—
|
—
|
—
|
|
DGR
|
接地方向继电器
|
1相(零相电路)
|
○ *1
|
—
|
○
|
—
|
—
|
发电机CB
|
|
OVGR
|
接地过电压继电器
|
继续检测系统侧的接地事故
|
1相(零相电路)零相电压检测以电容器型为基本
|
—
|
○ *1
|
—
|
○
|
○ *2
|
|
UVR
|
欠电压继电器
|
检测系统侧的短路事故、停电
|
3相
|
—
|
—
|
—
|
—
|
—
|
|
OVR
|
过电压继电器
|
根据发电机的控制异常检测
系统过电压
|
1相 发电机自身有保护装置时无需设置
|
—
|
—
|
—
|
○
|
—
|
|
DSR
|
方向短路继电器
|
检测系统侧的短路事故
|
以3相为基本同步发电机时需要
|
—
|
—
|
—
|
—
|
—
|
|
RPR
|
逆电力继电器
|
检测系统侧的逆流
|
1相
|
—
|
—
|
—
|
○ *3
|
○
|
|
UFR
|
欠频率继电器
|
检测高位送电侧事故时的频率下降
|
1相 无逆流,在RPR可高速保
护时无需设置
|
—
|
—
|
—
|
○
|
○ *2
|
|
OFR
|
过频率继电器
|
根据电压下降检测负载脱落
时的频率上升
|
—
|
—
|
—
|
—
|
—
|
|
UPR
|
欠电力继电器
|
检测系统侧的短路事故、停电
|
2相
|
—
|
—
|
○ *4
|
○
|
○
|
|
△f
|
检测频率急剧变化继电器
|
检测系统侧的停电
|
1相
|
—
|
—
|
—
|
—
|
○
|
*1. 继电器进行检测,与电力系统侧(变电站)保护继电器取得时间协调,不到达动作。
*2. 发电机容量和系统的负载取得平衡时可能不动作。
*3. 电压极端下降(至近端短路时)时可能不动作。
*4. 根据变电站接地方向继电器的动作,系统停电,进行动作。
注. 不设置线路无电压确认装置,进行系统双重化时,对1个事故需要有2个以上的继电器动作。
●各继电器的整定示例
以下表示连接用保护继电器的标准整定。
请根据向电力公司申请连接时进行的系统故障计算及在此基础上的协调确认,做最终决定。
|
机型
|
整定示例
|
背景
|
|
动作值
|
动作时间
|
|
OCR-H
|
应与配电用变电站OCR取得协调
|
|
与以前的受电端保护相同
|
|
OCGR
|
零相电流:0.2A
|
(JIS C 4601中规定的时间)
|
|
DGR
|
零相电流:0.2A,零相电压:5%
|
0.2s
|
|
OVGR
|
零相电压:10%
|
5s
|
与配电用变电站,其他馈电网的DGR取得协调
|
|
UVR
|
欠电压:85V
|
2s
|
与配电用变电站,其他馈电网的OCR取得时间协调
|
|
OVR
|
过电压:125V
|
2s
|
|
|
DSR
|
电流:*1,欠电压:90V
|
0.7s
|
与配电用变电站,其他馈电网的OCR取得时间协调
|
|
RPR
|
逆功率:发电机容量的10%*2
|
0.5s *3
|
|
|
UFR
|
欠频率:额定值频率-1Hz
|
1s
|
|
|
OFR
|
过频率:额定值频率+1 Hz
|
1s
|
|
|
UPR
|
欠功率、合同电量的10%
|
0.5s
|
为CGS需要方的最小消耗功率以下
|
*1. 电网送出点的2相短路时,需要保持在发电机流出的电流值以下,按照下式进行计算。
 |
IG: 发电机的额定电流
|
|
%x:从CGS需要方到变电站的百分比线路阻抗
|
|
%G:发电机的百分比阻抗
|
|
*2. RPR连接受电端CT,因此逆功率整定值
|
 |
*3. 请考虑接通发电机的并联时的动摇时间。
●作为其他连接用保护继电器的要求事项
从分散型电源设备对系统产生的影响的重要性出发,对连接用保 护系统及继电器的功能提出以下要求项目,以提高其可靠性。
不设置线路无电压确认装置时,将系统双重化
添加了在分散型电源需要方,在变电站设置线路无电压确认装置(再断路时,确认有无线路电压的装置)的义务。但是在同系统中存在多个分散型电源需要方时、考虑到设置成本等,很难设置本装置。因此,系统停电状态时,通过使继电器双重化(该继电器使发电机从系统中分离),可以无需设置本装置。作为实现二重化的手段,也认可UPR的设置。这种情况下,有必要在二相进行设置。
由专用的直流电路提供继电器的控制电源
连接用保护继电器的控制电源必须由专用的直流电路提供。因为 确保电源供给可靠性的同时,在系统发生短路事故时也需要动作。 (计量仪器用变压器VT的电源在短路时没有输出电压)。
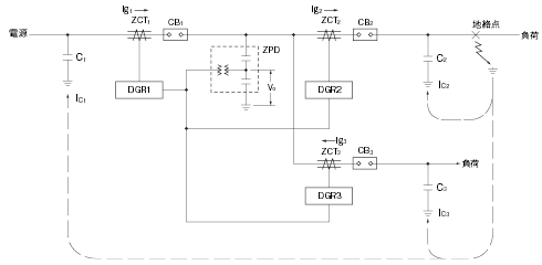
2. 接地继电器的概要
■受电用GR的选择
为有效选择接地事故点的断路,根据系统条件的不同,选择OCGR(接地过电流继电器)或者DGR(接地方向继电器)中的任意一个来设置GR。
继电器的选择步骤

■零相变流器(ZCT)的接地电流监视
电路里的电流大小,无论是单相还是三相其往返方向是相同的。如果发生接地事故,可以区别往返。根据该差异, ZCT上磁束感应,在二次侧有电流通过。该电流由继电器检测并监视。低压中经常使用的漏电断路器也是由这个原理构成的。

■零相电压检测装置(ZPD)的电流方向监视

如果发生接地事故,在ZPD发生的零相电压Vo和在ZCT检测的零相电流Io的方向(相位)在自身电路中,事故电流由电源侧流向负载侧。
另一方面,在其他电路中,事故电流由负载侧流向电源侧。利用该原理,可以仅选择并遮断发生事故的电路。
■接地保护协调
在运用接地保护继电装置的基础上,可以说接地保护协调是最重要的概念。
所谓保护协调是在电路发生事故时,取得动作协调,仅使事故电路的断路器动作,调整配置各设备的动作特性,以维持健全电路的供电,防止损伤负载设备、电路设备。
■接地电流、电压灵敏度协调
根据接地点的位置、接地点的形态,接地故障发生的零相电压、零相电流也多种多样。
■OCGR的灵敏度协调
ZCT检测的零相电流的大小因自身电路故障和其他电路故障而有所不同,利用该原理,来选择电路。
图1显示了其形状。
图1. OCGR·DGR的相位特
此时,若不能满足以下关系, OCGR可能会发生误动作。
Ir≥2 Ic
IR:继电器整定值
IC:区域内对地充电电流
2:余量系数
若不能满足以上条件,请务必使用DGR。即电缆长度的需要方不能进行OCGR的协调。在受电设备受电等的高压线路较短时, OCGR可进行充分保护协调。
电缆长度和充电电流的关系如图2所示。电缆的静电容量如表2所示,对于继电器整定电缆长度的界限如下表1所示。
表1.电缆长度界限标准
|
公称截面积(mm2)
|
0.2A整定时(m)
|
0.4A整定时(m)
|
|
8
|
135
|
270
|
|
14
|
115
|
230
|
|
22
|
100
|
200
|
|
38
|
85
|
170
|
|
60
|
70
|
140
|
|
100
|
60
|
120
|
|
150
|
50
|
100
|
|
200
|
50
|
100
|
|
250
|
47
|
95
|
图2.电缆长度和充电电流

●DGR的灵敏度协调
DGR的灵敏度协调包含零相电压要素。零相电流的灵敏度协调与OCGR完全相同。
零相电压的灵敏度在配电线的任何场所都与故障时发生的零相电压值相同。
短路电流一般不会像末端故障时的故障电流那样小。因此仅靠零相电压的灵敏度,很多时候不能选择并断路故障点,如末端设备一样以提高灵敏度(段协调的一般性看法)的形式在末端遮断轻微的接地,变电站的GR成为预备保护。在重接地保护的情况下,不仅是零相电压的灵敏度协调,与其他电路之间也需要判定相位。在自身电路中,需要与系列中的GR取得时间协调。
如图3所示为继电器的零相电压-零相电流特性上接地故障点的图表。
表2. 电缆的静电容量一览表
|
电压(kV)
|
形状
|
公称截面积
(mm2)
|
高压架桥聚乙烯电缆JIS
C3606-1987(CV)
|
|
静电容量(μF/km)
|
|
6.6
|
3芯(3芯全部
~接地间)
|
8
14
22
38
60
100
150
200
250
|
0.63
0.75
0.84
0.99
1.17
1.41
1.65
1.62
1.77
|
|
单芯
|
14
22
38
60
100
150
200
250
|
0.21
0.25
0.28
0.33
0.39
0.47
0.55
0.54
0.59
|
|
3.3
|
3芯(3芯全部
~接地间)
|
8
14
22
38
60
100
150
200
250
|
0.63
0.78
0.90
1.11
1.14
1.41
1.65
1.62
1.77
|
|
单芯
|
8
14
22
38
60
100
150
200
250
|
0.21
0.26
0.30
0.37
0.38
0.47
0.55
0.54
0.59
|
*参考
充电电流计算公式
Ic=2 π fCE(A)
Ic:3线全部充电电流(A)
f:频率(50Hz或者60Hz
C:3线全部静电容量(F)
E:对地电压(V) =线间电压/√3
图3.DGR的灵敏度协调

■相位协调
在通常情况下基本上没有问题。另外一般市场上销售的DGR的相位特性也是较固定。
继电器的相位判别,判断是自身电路还是其他电路的方向。
3.电机继电器的概要
■电机继电器的必要功能
使用电机·继电器的目的可分为以下2类。
(1) 保护电机自身(防止烧损)
(2)将电机所连接的负载的损害控制在最小范围内。
(此时,比起电机其负载更为重要,因此有必要选定电机继电器)为了满足以上(1)和(2),电机继电器需要具备以下3个功能。
|
(1) 过载要素
|
 |
过电流要素
|
|
|
时间要素
|
(2) 缺相要素
(3) 反相要素
以下对这三个要素的详细内容进行说明。
●过载要素
电机过载的情况下,如果长时间流通过电流,电机将会烧损。
因此,一旦流通过电流,必须立即检测电机,切断电机电源来保护电机。
但是,如图1所示一般启动感应电机时,会在数秒到数十秒内流通500%左右的过电流。如果此时电机的过载要素工作,电机一启动马上发生断路,电机将无法运转。因此电机继电器上除检测电机上流通的电流是否超过额定值的“过电流要素”外,还需要“时间要素”,过电流的继续时间如果在电机的启动时间内则不动作,如果超过启动时间则使其动作。即为避免启动电机时发生的电机继电器的误动作,需要时间要素。
需要时间要素还有另外一个理由。
图2为表示电机过热特性的I2t曲线,若在这个曲线的下侧范围,则电机不易烧损,可以充分使用。此例为即使电机上流通500%的过电流,如果为40秒则可以使用。若电流值为一半250%则为,

到4倍的160秒为止OK。同样为100%时,按照以上公式计算则为

仅为1000秒,但100%是额定电流可以连续运转,因此不适用于该公式。这个曲线并不是准确的I2t,只是I2t的大约值。
另外,电机自身即使流通过电流也不会马上烧损,有一定的允许时间,至少可以承受启动电流、启动时间的过载。因此,最理想的使用方法是使电机达到界限,从这个观点出发,即使过电流也立即动作的电机继电器是不甚理想的。如图2所示,沿曲线下侧的曲线进行动作,有较大电流快速通过时,较小电流流通时长时间动作,即反限时特性,具备这种时间特性的产品最为理想。这就是在负载要素上添加时间要素的理由。即使是极小的过载,电机继电器也会立刻动作并停止,通过该要素,可防止这种不必要的动作停止。
但是根据用途,有时不需要这个特性。例如,负载为规定值,超过额定电流时可明确判断为负载的异常状态,流通过电流时如果不马上切断电机电源,负载发生损害,且损害扩大。在上述保护负载的用途中,过载要素的动作时间越快越好。当然,如果这个时候启动,会有过大的启动电流流过,因此启动时一定时间内不能动作,之后需要带瞬间动作功能的过载要素,我们将其称为普通瞬间型。另外,迄今为止过载要素中必须具备检测电流值的要素和时间要素2个要素,这个电流、时间值设定为多少较好呢?
·关于电流值
JEM1357「三相感应电机用感应型及静止型保护继电器」的标准中规定了动作值应在电流整定值的105~125%范围内,而电机继电器的各大厂家也大都遵照该标准。因此,即使无特别指定的电机也基本能满足标准要求。
·关于时间
同样在JEM 1357标准中规定了电流整定值的600%过电流下为40秒以下,200%过电流下为4分钟以下。
另外,作为JIS B 8324深井用水中电机泵的电机保护规定了[流通全负载电流的5倍电流时应在5秒以内动作]。因此,一般的电机继电器在500%过电流下有数秒~数十秒的动作时间,电机继电器种类也多种多样。
图1. 电机的启动电流

图2.电机的过热特性和保护曲线

过载要素的总结
(1)过载要素的电流要素在额定值下一般不动作,在125%下动作。时间上选择在500%过电流时数秒~数十秒左右大于电机启动时间。普通的反限时特性是电流值越大越快, 电流越小花费时间越长的时间特性。
(2)时间要素有启动时及其后运转时在同一时间特性下动作的类型和仅启动时延时,运转时作为瞬间动作保护与电机相连的负载的类型,后者一般称为瞬间型。
●缺相检测要素
由于电机的电源线断线,连接部松驰,控制用开关的接触不良,电机内部的断线等,使本来应在三相电压下运转的电机在单相下进行运转的状态称为“缺相”。
停止的感应电机在单相下不能开始运转,如果在缺相状态下启动,为了让启动电流持续流通,可根据先前所述的过载要素进行检测,防止烧损电机自身。但是正常运转中即使发生缺相,成为单相状态,众所周知,如果负载较轻,三相感应电机可作为单相感应电机继续运转。
请看图3。有人接线电机和△接线电机的电源相缺相以及△内部的缺相三种状态。此时请考虑仅靠插入电源线的过载要素是否可以防止电机的烧损。
(1)人接线电机的缺相
如图3(a)所示电源线中流通的电流和电机卷线中流通的电流,无论在哪里断线都是一样的。因此,如果发生缺相,即使过电流流过,电源线的过载要素也会进行检测,因此不会烧损电机。另外如果电机的负载过轻,不会发生过电流时,过载要素不进行检测,由于电机电流较小不会发生烧损,可继续进行轻负载运转。
图3.缺相时的电流分布

(2)△连线电机的外部缺相
图3(b)的情况下该怎么处理?
正常时如果卷线中流通的电流为I,电源线上流通的电流则为√3I,即卷线的额定电流如果为In,电源线的额定电源则为√3In,过载要素通过监视√3In< √3I来等价监 视卷线上的电流是否为In< I。
B为缺相状态的情况下, I=In时的电源线的电流为3/2In,当然是√3In或者1.5In< 1.732In,因此根据电机的负载状态,卷线即使发生过电流,由于电源线在额定电流以下,过载要素不动作,卷线可能被烧损。这种情况下为防止电机烧损,需要其他检测缺相的要素。
(3) △连线电机的内部缺相
图3 (C)的情况下该怎么处理? I1和I2与正常时相同|I1|=|I2|,相位差为120°,V相电源线电流与正常时相同为√3I,另外U、W相的电流分别为I1、I2,从电源线来看,可以发现卷线上流通着过电流,过载要素进行检测,无需担心会被烧损。因此,可以说与(1)的人连线相同。此外,迄今为止都是从防止电机烧损的角度来进行说明。
图4. 缺相时的电源线电流矢量图

缺相即为异常状态。运转中发生缺相,轻负载下如果任其继续运转是不适当的,稍微再增加点负载将可能停止,连接脱落的导线与外壳接触,将可能导致触电事故及短路事故。
异常状态下以立即检测并处理为保护原则,不仅是为了防止电机烧损,这种情况下也应尽快检测缺相。
即不仅是为防止电机烧损,为在轻负载时也检测缺相,由于在过载要素下检测较费时间,因此为了尽早进行,一般在图3(a)、(c)所示的情况下设置缺相要素。
关于缺相要素还需注意一点。在图3(a)、(b)中正常时U、V、W相的电流为平衡三相电流,但缺相和缺相的相电源线电流完全为零,其他的2相中流通着单相的往返电流。此时如图4(a)所示,缺相前后矢量关系有很大的变化。
然而,图3(c)的情况下,图4(b)所示的矢量变化与图4(a)相比,直观上感觉变化较小。实际上图3(c)的情况与图3(a)、(b)相比,更难检测缺相。
普通图3(a)、(b)所示的状态为缺相,(c)的情况称为△内部缺相,以示区别。一般所指的可检测缺相的情况为(a) (b),因此使用△接线电机(1.5kW以上多用这种电机)时请务必注意。
图5.电流方式缺相要素的优越性

另外,也有如图5所示不使用变流器,用电机的电压检测缺相的方式。这种方式不能检测从检测缺相用的连接点在电机侧缺相的情况,即使电源侧缺相,由于电机端子电压没有下降到一定程度,因此有时无法检测轻负载运转中的缺相,电流检测的方式更为有利。
缺相要素的总结
(1)仅过电流要素时,有时不能防止电机烧损,需要缺相要素。
(2)轻负载时即使缺相也不流通过电流那样的电流,因此过载不能检测。为了尽早检测异常,需要缺相要素。
(3)一般所说的缺相是指电源线的缺相,因此很多情况下无法检测△内部缺相,请注意。
(4)有电压方式,但电流方式更为有利
●反相要素
如果三相感应电机相序为逆,电机的旋转方向也相反。任何用途中都不允许电机向任意方向旋转,有时即使是瞬间反向旋转,都会给电机负载造成致命的打击。为此,施加在电机上电源的相序一旦反向,能立即进行检测的要素称为“反相要素”。
图6.反相要素的电压电流方式比较

此时可考虑与缺相检测相同的电流方式、电压方式。请看图6。如图6所示在电磁接触器前连接反相要素后,反相在电机启动前可以进行检测。由此前面所说的电机即使是瞬间也不会使其反转。电流方式无论怎么快也要0.5秒左右的时间,所以多少有一点逆转也是没办法的。就这个意义上来说电压方式更为有利。但是,电压方式的缺点在于与电机继电器的连接较多。在高压电机等情况下需要添加1个VT。另外,电流方式的优点在于能直接判断电机中流通电流的相序,也有如前所述检测较费时间(电机旋转后的检测)的缺点。
另外,无论何种情况反相检测仅检测其连接点(电压检测时连接电源线的位置、电流检测时插入CT位置)的相序,在设置时需要注意这点。
此外,一旦设置好电机后,相序很少为逆,很多情况下不需要反相要素。但是,在移动用电源的电机等中,连接变更的频率较高,在保养检查时就连接变更来说,还是添加比较好。
反相要素的总结
(1)很多情况下不需要反相要素。
(2)电压检测有启动前可检测的优点,而电流检测有可直接监视电机的电流相序的优点。但也各有所短。
■电机·继电器的特异点
电机及电机继电器在使用上必须注意以下几个问题。在此就缺相时的电压下降、电机电流波型的失真,改善力率用电容器的配置,电机电流的不平衡进行说明。
●缺相时的电压下降(电源连接上的注意事项)
如图7所示, V相下即使缺相(断线),施加在电机继电器及电磁接触器上的电压也不为零,U、W间的线间电压Vuw在电机的卷线X和Y分压,通常电磁接触器励磁线圈及电机继电器的电源电路的阻抗与X和Y卷线的阻抗相比相当大,因此施加约为1/2Vuw的电压。在这个状态下为使电磁接触器断路,电机继电器即使在额定电压一半的电压下也可以检测缺相并进行动作吗?不可以时,电磁接触器不能保持1/2的电压,进行选择,自动复位。然而,如果电磁接触器的电源与电机继电器的电源为不同的相,如图7所示电磁接触器和电机继电器都从U、W相取得电源。如果仅电磁接触器从U、W相取得电源,在电磁接触器中即使V相缺相,保持施加额定电压,不能复位,而且电机继电器上只能施加1/2的电压,电机继电器无法动作时,不能进行保护。因此,或使电机继电器即使在1/2的电压下也能进行动作,或注意布线,在电磁接触器上附加1/2的电压,使其务必复位,任何一种情况下都需注意。
图7. 缺相时的电压下降,进相电容器的位置

注. 电机轻负载运转中的缺相下,电压不会下降到1/2。从电机侧供给近似于正常电压的电压。
此时不能进行保护电磁接触器的释放电压。
●电机电流的波形失真
送风风扇用电机电流波形失真示例

如图所示,流入电机的电流本来应该是正弦波,在水中电机等用旧的电机中,即使是可正常运转的电机,也可观测到电流波形的极端失真。
电机继电器在设计时以输入正弦波为前提,根据波形的失真,在过载要素下动作电流值的误差增加,另外,在缺相、反相要素下会发生误动作等。电机的电压波形一般失真较少,动作快的反相要素等中,电压方式比电流方式更为有利。但是,各个厂商也在探讨波形失真的问题,最近各个方式几乎没有什么差别。
●改善力率用电容器的设置位置
如图7所示,为改善其力率,与电机并列接入进相用电容器。电机的轻负载时流通的电流几乎无效,有相当一部分高次谐波混入。由此,将电容器并列连接,消除基本波成分,仅残留高次谐波。较大情况下,本来设计为输入50/60Hz的正弦波的缺相、反相电路等易发生误动作。当然,大部分情况下的高次谐波电流很小,不会发生误动作,但如图7所示,为降低误动作的概率,在电机继电器前设置电容器的方法最为保险。
另外,如果在电机继电器后插入电容器,看上去电机电流减少,需要估计电机继电器的过电流动作值并进行设定,较为烦琐,因此从这点来看,仅向电机继电器提供电机中流通的电流的方法最为理想。
■静止型电机继电器的构造(本公司SE的示例)

●电流变流器
其中包括变流器、二极管和电阻器,变流器将电机电流的大小变换为在晶体管电路中便于使用的电流;二极管对变流器二次电流进行三相全波整流;电阻器将整流后的电流变换为直流电压。
特别是这个电流变流器通过变更其内置的分流,可将其电阻值变为3个阶段,能在电机电流的广范围中使用。
例如电机电流为80A时,电流变流器的输出电压为达到21V,假设 连接600Ω的电阻器, 40A时为达到21V则连接1200Ω, 20A时则连接2400Ω的电阻,这样电流变流器的输出电压一直为21V,因此,电机继电器本体在21V下动作时,能通过变更分流设置为在20A、40A、80A的任意一个下均可动作。
(注. 电压·电阻值表示一个例子)
另外,为了在20A下动作而选择分流时,如果在电流变流器上卷2次电机电源线,即使电机电流为10A,从电流变流器来看,也可以发现实际流通为20A,因此在10A下也可以使其动作。同样如果卷4次,在5A下也可以使其动作。
图8 .SE 静止型电机继电器(反限时型)内部框图

注1. 数字表示插件型端子编号,( )内表示面板支架型端子记号。
注2. 在反相要素「OFF」下使用时,无需端子③ (W)的布线。
●过载要素
电流变流器的输出通过连接线进入电机继电器本体的7(C+)、8(C-)端子「数字为插件型时的端子编号,()内为埋入型时的端子编号」,在电流刻度整定电路分压,进入过电流检测电路。电流刻度整定电路在可变电阻的简单分压电路中,通过变换分压比率,可变换电流动作值,此时,如果电流变流器的分流为20A,通过旋转该可变电阻器的旋转,可在8A~20A的范围内整定动作值。如果发生过电流,过电流检测电路进行检测并进入下一个时间整定电路。
这个时间整定电路具备前面所说的反限时特性,其时间特性如图9所示。
图9. 过载动作时间特性(参考值)
时间刻度倍率:×1

时间刻度倍率×4

在这个时间整定电路中带有可变电阻器,通过旋转其旋钮,流通电流整定值600%的电流时的动作时间在2~10秒范围内可以改变。
此外也带有时间倍率用开关,4倍即8~40秒可简单进行设定,并具备在2~40秒广范围内可整定时间的优点。
过电流超出整定时间流通时,输出继电通过OR电路,由输出电路进行励磁,切换其接点X/c,进行相关的报警、断路等动作。
另外,瞬间型如图10所示,电机电流约为额定值的30%以上时,则认为电机启动,启动时间电路开启动作,与输入电流的大小无关,一定时间内不进行输出,因此即使过电流检测电路马上动作开始输出,AND电路也不输出,不动作。经过启动时间后,由于电机中流通额定值~额定值50%左右的电流,启动时间电路保持输出。之后,如果发生过电流,过电流检测电路立即动作,在0.5秒以下时继电器进行动作。
图10.SE静止型电机继电器(瞬间型)内部框图在反限时型中如下图部分所示。

●关于继电器的动作
(手动复位型)
SE--------------- 继电器机械性自我保持,即使停电,到手动复位之前一直动作。
K2CM------------- 继电器因为采用了保持继电器,即使停电也仍然锁定。复位时需要电流。
(自动复位型)
如果低于整定则自动复位。(但是与缺相要素同时使用时,缺相情况下,因为操作电源较低,U、V的供给电源和电机电源请使用不同的电源。由于上述理由不能使用反相要素)
●缺相要素
图11. 电流变流器的输出波形

图11 (a)是正常时的整流输出波形,(b)是缺相时、(c)是△ 接线电机内部缺相时的波形。这些在正常情况下直流部分大交流部分小,而且可以看出第6谐波以上频率成分较高,缺相时直流部分小交流部分大,而且可发现其交流部分第2谐波最大。因此可从直观上发现,如果构成上响应第2谐波/直流部分或交流部分/直流部分的比则可进行以缺相检测。
图12.缺相检测电路的构成

因此静止型电机继电器应用了这个原理,如图12所示设置了滤波器,包括从电流变流器的输出(正确而言是对其进行分压的输出)中仅取出直流部分的滤波器和仅取出第2谐波成分的滤波器,其比超过某个值时判定为缺相。于是这个缺相时的动作时间特性如图13所示,与电流值几乎无关,约为1.5秒。
图13. 缺相动作特性

可确认第2谐波成分/直流部分几乎为不平衡率的函数。因此,这个电机继电器与其说是缺相检测,不如说是作为不平衡检测而设计的,进行整定,当不平衡率约为35%时动作。如图14所示为该动作不平衡率根据电流值发生的变化。
图14. 不平衡动作特性

横轴的电流值表示3相电流中最大相的电流值。如果从缺相检测电路进行输出,通过图8的OR电路, 继电器同样工作。
●反相要素
图15表示构成图,图16是矢量图。如图所示,正常时d、e间的电压为1.5Vuv、反相时为0V,因此将其赋予晶体管后可简单地检测反 相。反相检测电路的输出通过OR使继电器动作。由于电机继电器的电源是从U、V相取得的,不需要反相要素时是否可以拆下端子3(W)的连接呢?结果适得其反,Vuv在RP1和CC1分压,分压的 电压有时施加到晶体管进行动作。当然,因为有时输入电压较小,不进行动作,此时需要切换为无反相要素。另外,这个电机继电器是50/60Hz共用,即使Vde正常也并不完全是零,正常时和反相时的Vde差较大,可充分稳定动作。
图15. 反相检测电路的构成

图16. 反相检测电路的矢量图

●外部连接
图17( (a)、(b) )中表示各个外部连接的示例。当然不使用反相要素时无需连接端子3 (W)。
(1) 电磁接触器的励磁线圈和电机继电器的电源端子(U、V)相请插入同一相。
(2) 进相用电容器从电流变流器电源侧接入。
(3)电流变流器和电机继电器本体之间的连接请勿弄错极性。连接后流通的电流为通常数mA、最大数+mA,因此无需特别注意连接线的电流容量,电压通常在数+V以下,即使过电流也在400V以下,因此即使600V的绝缘电线也没有问题。
对于噪音等也无需特别注意,但应尽量远离大电流线。
(4) 与电压端子(U、V、W)的相序请勿弄错,不需要反相要素时(反相要素[关]),仅是U、V与相序无关。
(5) 如果在电磁接触器前插入到U、V、W的布线,则可在电机启动前进行反相检测,这种方法较为有利。
图17.(a) —△启动电机时的外部连接

图17. (b)高压电机无电压拆卸时的外部连接

●电机电流的不平衡
电机电流的不平衡率普通为数%左右,但使用多年后的电机以及通过接线变压器向电机提供电源的情况下,可观测到10~20%以上的不平衡。
请参见下页所示的不平衡率的简单计算方法并测定。如果超过20%,有时不能进行△内部缺相检测。
■参考
关于不平衡率
根据对称座标法,假设三相的电流分别为Ia、Ib、Ic ,矢量系数为

作为表示三相电流、电压的不平衡程度的尺度使用。但是,这个计 算较为烦琐,因此使用以下不平衡率计算表可简单地算出不平衡率。
图18表示了解三相输入的三个绝对值的情况下,求出其不平衡率的图表。
例如三相交流输入的A相电流IA=50A, B相的电流IB=35A, C相的电流IC =45A时,以电流IA为基准,除去电流IA 中的其他相电流,可得出:

然后,确认从右侧纵轴KB=0.7位置出现的圆弧B和左侧纵轴KC=0.9位置出现的圆弧C之间的交点P1。点P1位于不平衡率20%的圆上,可判断此时的不平衡率为20%。
另外,IA=50A、IB=65A、IC=50A时,KA=1.0、KB=1.3、KC=1.0,此时各个圆弧的交点为P2,点P2基本高位于不平衡率20%的圆上,所以可判断不平衡率为20%。依此类推,从KB、KC开始出现的圆弧的交点位于不平衡率20%的圆上,所有的平衡率均为20%,可得出同一不平衡组合有无数个。
同样D1~D8表示所有不平衡率为25%的组合。
在此考虑△P1XY,则XY=IA、P1X=Ic、P1Y=IB,即用IA、IB、IC矢量图来表示△P1XY。
图18. 三相电流、电压的不平衡率计算图表

■电机保护
电机电路的故障多种多样,为保护其免于故障,必须使用符合其目的的保护设备。以下表示电机的事故内容和保护方式。
电机的保护设备有3E继电器、热继电器、电机断路器等,将其总结如下。

电机的保护设备还各有一些特异功能。但是,如果不能正确运用这 些功能,将无法发挥其能力。因此需要选择符合保护目的的保护设备。

|
●感应电机的保护
|
◎:可切实保护
|
|
感应形电机也有很多种类,其故障现象也很多。
|
○:基本上可保护
|
|
适合其各种型号保护设备的一览表如下所示。
|
△:可带条件保护
|
|
|
□:不可保护情况较多
|
|
感应电机的保护目的和适用保护继电器
|
×:不可保护
|
|
|
热量继电
|
带饱和电抗 器的热量断
电器
|
2E式热量 继电器
|
连动型热 量继电器
|
静止型3E(4E)继电器
|
埋入(PTC热 敏电阻式)
保护继电器
|
电机
断路器
|
|
带2元件
|
带3元件
|
保护一般 电机用
|
保护水中 电机用
|
|
过载
|
标准
情况
|
一般笼型电机
单相电机
卷线型电机
水中电机
|
◎
◎
○
△
|
◎
○
△
|
○
○
○
×
|
◎
○
△
|
○
○
○
○
|
◎
○
△
|
△
△
◎
|
◎
◎
○
◎
|
○
○
○
□
|
|
间歇
运转
|
一般笼型电机
单相电机
卷线型电机
水中电机
|
△
△
△
△
|
△
△
△
|
○
△
△
□
|
△
△
△
|
□
△
○
|
△
△
△
|
△
△
△
|
◎
◎
△
◎
|
△
○
△
□
|
|
限制
|
一般笼型电机
单相电机
卷线型电机
水中电机
|
◎
△
△
△
|
◎
△
△
△
|
○
△
□
□
|
◎
△
△
△
|
◎
△
◎
◎
|
○
○
△
△
|
△
△
◎
◎
|
◎
△
◎
○
|
○
△
□
□
|
|
配电系统异常
|
缺相运转(防止烧损)
三相不平衡运转
短路
过·欠电压
漏电
接地
反相
|
△
□
□
○
×
△
×
|
○
□
□
○
×
△
×
|
□
□
△
○
×
△
×
|
◎
△
□
○
×
△
×
|
△
□
□
○
×
△
×
|
◎
◎
□
○
◎(4E)
◎(4E)
◎
|
◎
◎
□
○
◎(4E)
◎(4E)
◎
|
◎
◎
×
◎
×
×
×
|
□
×
○
×
×
○
×
|
■3E继电器的保护
作为电机的保护设备,如前页所示有各种类型,在此就3E继电器(过载要素、缺相要素、反相要素)的电机保护进行说明。
●过载保护
过载要素在电机保护功能下,如果能正常发挥该要素,则能涵盖电机保护的大部分内容。为切实进行过载保护,需要正确进行3E继电器的动作值整定以及动作时间整定。
为发挥保护功能,按照以下步骤来制定保护协调曲线。
●电机保护协调
考虑电机的保护协调时,有必要探讨电路所连接的设备之间的相互协调。以下列举了一些探讨事项
|
电磁开关
|
·开关容量充分吗?
·可承受短路电流通过吗?
|
|
无熔断器断路器
(MCCB)
|
·可切断短路电流吗?
·在电机冲击电流下无误动作吗?
|
|
分支电路的电线
|
·MCCB可承受中断之前时间的短路电流吗?
·MCCB可承受热量继电器或者3E继电器动作之前时间的
过载电流吗?
|
|
热量继电器或者
3E继电器
|
·电机过载,限制时可保护吗?
·和MCCB或者PF已取得电流保护协调吗?
|
制订保护协调曲线

如图所示为保护协调曲线的正确示例和错误示例
正确的保护协调曲线

错误的保护协调曲线

●缺相保护
缺相保护是指由于电机电源线的断线及连接部松驰,开关的接触不良、电机的内部断线等,电机单相运转的状态。成为该状态时,与电机的线电流增加相比,相电流显著增加,卷线的温度上升超出容许值,可能会发生电机烧损。这种情况下,不由过载检测,而必须由缺相检测进行保护。缺相事故和电流变化如下图所示。此图的重点是在图中2、3、5的示例下,相电流的增加与线电流的增加相比较大,此时在线电流的过载检测中,会发生不能检测故障的情况。
缺相检测灵敏度是固定的,在用户方面无需为取得协调而进行动作值整定,以下介绍了较难的故障现象的示例。
缺少事故和电流变化
保护协调和保护继电器

■保护协调的定义
在说明保护继电器时,多次提到了保护协调。
保护继电器的作用是在发生电力系统事故(故障)时,检测事故,迅速切断事故区间,保护其他健全电路。继电器检测并判断事故引起的异常,进行处理的过程中,为防止其他健全电路的误动作,在保护功能之间取得协调的同时,继续向健全电路供电,另外为了不损伤负载设备、电路设备及开关,而调整保护设备的保护值,使其发挥作用。在保护协调中,根据目的、用途不同,协调的内容也有所不同,包括传送电力的电缆的保护协调、变换电压的变压器的保护协调。例如,考虑需要方设备中的过电流继电器(OCR)和布线用断路器(MCCB)的保护协调时,可按照以下思维方法考虑保护协调。
●保护继电器和布线用断路器
如前所述,保护协调在发生事故时能迅速切断,以确保健全电路,因此在考虑上述设备的基础上,如下图所示,考虑各设备中的协调特性,万一在事故点(1)发生事故则必须通过MCCB-1切断电路,以免波及到高位,进行设计和选择零件时应注意。
|
项目
|
内容
|
|
事故点(1)
|
在事故点(1)发生时,如果不通过MCCB-1进行保护,事故将
会波到高位MCCB-0,使其动作, MCCB-0以下全部停电。
|
|
事故点(2)
|
在事故点(2)发生时通过OCR保护,以免波及到高位。
|
简单说明了采取保护协调的方法,进一步将保护细分,考虑低位时,掌握几个发生事故的地方,以免波及高位。
电路
为此从MCCB-5来看MCCB-4是高位, MCCB-3位于其高位。依此类推高位的保护装置在设备保护装置中一般称为预备。需要可到高位的广泛的电路保护,取得保护协调,使切断特性延迟。
但是考虑保护协调时,还有很多可以探讨的项目。例如从各MCCB来看时的负载的冲击电流,短路电流下选择防止破损的线路,OCR和变压器的热特性等的协调。
详细内容请参见各专业书籍,以下记载了保护协调的基本事项。
保护协调特性
■保护协调的基本探讨事项
考虑保护协调时必须探讨以下基本事项。
·设备、电缆等的过电流耐量、过电压耐量。
·变压器、电机、电容器等负载设备中发生的冲击电流、启动电流。
·保护继电器、保护装置的动作特性。
在保护协调曲线用纸上描绘曲线时必须满足以上项目,以下事项为原则性事项。
·断路器断路容量应大于设置点的短路电流。
·保护装置的动作时间应该比线路、设备的损伤时间短。
·保护装置在变压器的冲击电流、电机的启动电流下不应有误动作。
·系列中的保护装置之间进行电源侧附近、延长时限等的处理,计算故障的极限化。
●保护协调曲线的制订
保护协调曲线用纸上应记录以下内容。
|
1
|
系统图
|
·保护对象的单线接线图
·线路、设备的特性
·保护装置的整定分流值
|
|
2
|
保护对象的特性
|
·保护对象的过电流耐量、冲击电流
|
|
3
|
事故电流
|
·推想事故点,计算事故电流
·向保护装置的输入
|
|
4
|
保护装置
|
·保护装置的特性
(在图中探讨,以取得保护协调)
·高位及低位的限制条件
|
●系统图的记录方法
系统图上在协调曲线用纸的右上方用单线连线图记录。
|
记录数据
|
| ·系统电压
|
|
|
·断路器(CB)
|
:额定值断路容量、全断路时间
|
|
·布线用断路器(MCCB)
|
:额定值电压、额定电流
|
|
·空气断路器(ACB)
|
:额定值电流
|
|
·变流器(CT)
|
:额定值、变流比
|
|
·电缆
|
:种类、粗细
|
|
·变压器(T)
|
:额定值容量、电压、%阻抗、分流值
|
|
·电机(IM)
|
:额定值容量、电流、启动电流
|
|
·过电流继电器(OCR)
|
:整定值分流值(电流、时间)
|
|
·接地继电器(GR)
|
:整定值分流值(电流、电压、时间)
|
|
·静止型电机继电器(3E)
|
:额定值电流、整定分流值(电流、时间)
|
|
·热动型继电器(THR)
|
:额定值电流、整定分流值
|
|
·电力熔断器(PF)
|
:额定值电流
|
|
●保护对象
保护对象主要有以下几种。
·线路:电缆
·负载设备:电机、变压器
将在个别保护协调中说明这些特性。
●短路电流的计算
过电流保护的基础是系统短路电流的计算。
短路电流的计算一般利用%阻抗法,但其详细内容请参考相关专业书籍。
这个方法按以下步骤来处理。
可变换为不同基准容量的%Z。
短路电流计算步骤
注1. 受电点的电源侧%Z为短路容量Ps (电力公司提示)如下%Z=100P/Ps。
注2. 变压器的阻抗。
主要由1次电压及变压器容量来决定。
注3. 电机的阻抗。
%Z约为20~25%。
高压电机在事故时,短时间内作为发电机工作,因此应注意短时间的事故现象。
注4. 布线的阻抗。
%阻抗为电抗部分X和电阻部分R。
■保护装置
受电柜等中使用的保护装置,包括以过电流继电器为代表的各种断路器、电源熔断器等,根据其保护目的有多种多样,考虑保护协调时,应充分探讨这些设备的特性。
●保护装置的探讨事项
(1) 过电流继电器(OCR)
·高位继电器和低位继电器间的时间协调(段协调)。
·限时特性。
时间特性曲线(反限时特性、瞬间特性)中,OCR和PF或者MCCB等的保护设备间的关系,及OCR和被保护设备界限曲线间的关系。
(2) 电力用熔断器(PF)
·容许电流时间特性。
低位的保护设备、负载设备的特性和熔断器电极板未老化的界限值特性。
·熔断特性。
熔断器电极板开始熔断的电流、时间特性。
·断路特性。
与高位保护设备的关系。
(3) 空气断路器(ACB)
在小于AC1000V, DC300V以下的电路中使用时的主要特性。
·长时间解扣:过载保护5-30s (线圈额定值的600%)。
·短限时解扣:过载保护0.1-1s (整定刻度的250%)。
·瞬间解扣:短路保护。
(4) 布线用继路器(MCCB)
·额定值电流5,000A 以下, AC600V 以下, DC750V以下。
各个特性依据厂家提示。
(5) 热动形继电器(THR)
·过载保护特性。
与电机热特性的关系。
·缺相保护特性。
与缺相引起的电流不平衡的关系。
■线路的过电流保护协调
对线路保护协调进行说明。
●制订保护协调曲线
按以下步骤制订保护协调曲线。
●短路电流的计算
按照%阻抗法计算短路电流。图中系统的阻抗图像如下图所示,从这个图像中求得的A母线、B母线中的短路电流如下所示。
在此
XSA=XS+XT1=4%
XSB=XS+XT1+XT2=16%
这里计算的I为6.6KV侧的换算值。
●探讨保护协调
在协调曲线上记录必要的数据,可对各数据间能否正确取得协调进行探讨。
·邻接的OC的时限应满足以下关系。
On+1 的惯性动作时间是指动作时间和测定惯性特性
时的输入施加时间之间的差。(JIS 静止型OCR中相
当于动作时间的约10%)。
·不应重叠。
|
·在OC1中A母线的短路保护。
·在OC2中T2的保护。
·在OC3中控制中心的保护。
应可进行各项保护。
·在CB1中A母线短路电流的断路。
·在CT1中A母线短路电流的通过、检测。
·在ACB1中B母线短路电流的断路。
在CT3中B母线短路电流的通过、检测。应可承受各项。
·T2的最大电流下OC2不应有误动作。
|
■电缆的保护协调
决定电缆的规格时,不仅需要考虑通电容量,而且还要考虑短路电流的大小。
●系统的条件
·系统电压 :6kV
·额定值负载电流:70A
·恒长 :20m
·种类 :CV电缆(3芯1条)
·布设条件 :空中暗渠式
●电缆的选定
根据「CV电缆的容许电流值表」保留一定的余量,选择22mm2的电缆。
通电容量最大为105A,与70A相比有充分的余量。
CV电缆容许电流值表
|
|
空中暗渠式
|
管路式
|
|
单芯
3条
|
3芯
1条
|
单芯4孔
3条
|
3芯4孔
4条
|
|
250mm2
|
645A
|
490A
|
550A
|
320A
|
|
200mm2
|
535A
|
410A
|
470A
|
275A
|
|
150mm2
|
475A
|
360A
|
415A
|
250A
|
|
100mm2
|
350A
|
260A
|
315A
|
185A
|
|
60mm2
|
265A
|
195A
|
245A
|
150A
|
|
38mm2
|
200A
|
145A
|
190A
|
115A
|
|
22mm2
|
140A
|
105A
|
135A
|
84A
|
|
14mm2
|
110A
|
83A
|
107A
|
67A
|
|
8mm2
|
79A
|
59A
|
78A
|
49A
|
接下来探讨在电缆送出端发生3相短路事故时的短路电流是否超过「CV电缆的短时间耐量」。
如上所示,此时的短路电流为5570A,考虑到OCR+CB保护时的断路时间为0.2s,在图中绘制曲线后,可发现38mm2的电缆可充分承受。
用PF 代替CB 进行保护时,断路时间在0.01s以下,因此8mm2的电缆也可以进行保护。
●短路电流的计算
作为计算的条件
·系统电压V :6kV
·电源短路容量Ps :60MVA
·额定值负载电流I :70A
·CV电缆(22mm2)的阻抗Z:0.840Ω/km
·CV电缆(22mm2)的恒长20m
以基准容量(P)为6MVA求得%阻抗。
电源侧的阻抗为所有电抗部分,电缆的电抗作为电阻部分。
●保护协调曲线
保护协调曲线根据上述求得的各数据和保护设备的特性在协调曲线上绘制曲线,从而判断协调的好坏。
■变压器的保护协调
●变压器的故障原因和保护设备
变压器的故障原因和其保护设备如下所示。
|
原因
|
保护设备
|
|
过载
|
温度计(带报警)、过电流继电器(OCR)、热量继电器
|
|
内部事故
|
布赫霍尔兹保护继电器比率差动继电器
|
|
2次侧电路的短路
|
电力熔断器(PF)过电流继电器(OCR)
|
●变压器的特性
在变压器的特性中,如下所示为保护上所需的特性。
变压器励磁冲击电流示例(实效值换 算)
|
|
倍率(倍)
|
衰减时间
(Hz)
|
|
单相变压器
6.6kV/210V
|
50kVA
|
10~18
|
2~7
|
|
100kVA
|
10~17
|
1.8~10
|
|
150kVA
|
10~15
|
2~10
|
|
三相变压器
6.6kV/210V
|
300kVA
|
5.5~12
|
2~10
|
|
500kVA
|
5.5~12
|
2.6~5
|
变压器的短路强度
|
热性强度
|
机械性强度
|
|
①以自我阻抗限制的电流
②但是,小于%Z4%的则为额定值电流的25倍
|
2s
|
热性强度
电流×2.5倍
|
保护协调的检查要点
|
保护设备
|
检查要点
|
|
PF
|
·变压器的容许过载中熔断器元件没有熔断
·变压器的励磁冲击电流中熔断器元件没有熔断
·2次侧短路时,在变压器的耐量内断路
·与高、低位保护设备的协调
|
|
OCR
|
·冲击电流下无误动作
·与高、低位保护设备的协调
|
●PF的适用
用电力熔断器来保护单相变压器、三相变压器时,其适用示例如下图所示。
PF的适用示例(T公司Q熔断器的情况)
|
项目
|
单相(kVA)
|
|
5
|
7.5
|
10
|
15
|
20
|
25
|
30
|
50
|
75
|
100
|
|
三相
(kVA)
|
5
|
5A
|
|
|
|
|
|
|
|
|
|
|
7.5
|
|
|
|
|
|
|
|
|
|
|
|
10
|
|
10A
|
|
|
|
|
|
|
|
|
|
15
|
|
|
|
|
|
|
|
|
|
|
|
20
|
|
|
|
15A
|
|
|
|
|
|
|
|
25
|
|
|
|
|
|
|
|
|
|
|
|
30
|
|
|
|
|
|
20A
|
|
|
30A
|
|
|
50
|
|
|
|
|
|
|
|
|
|
|
|
75
|
|
|
|
|
|
|
|
|
|
|
|
100
|
|
|
|
|
|
|
|
|
|
|
|
150
|
|
|
|
|
|
|
|
|
|
|
|
200
|
|
|
|
|
|
40A
|
|
|
|
|
|
250
|
|
|
|
|
|
|
|
|
|
|
|
300
|
|
|
|
|
|
|
|
|
50A
|
75A
|
|
注1. 下图所示为保护3 、1 、变压器及高压电容器,而使用电力熔断器时,电力熔断器的额定电流。
注2. 假定变压器励磁冲击电流相当于变压器额定电流×10倍0.1秒通电
注3. 假设高压电容器的容量为变压器存储容量的1/3 以下,忽略电容器的充电电流。
|
●实例讨论
以下根据保护协调曲线进行讨论。
·OCR : 应保持变压器的过载保护和高压母线的短路保护,与PF取得协调。
·PF : 变压器的冲击电流下不会老化,应确实可保护1次、2次侧的短路故障。
·ACB : 变压器的过载保护用。
·MCCB : MCCB以后的短路保护用。
■过电流继电器的保护协调
在电力系统上使用的继电器,必须在全体系统中取得保护协调,过 电流继电器也不例外。考虑设置在受电端的过电流继电器的保护协调时,需要考虑以下项目。
(1) 在需要方系统内的短路、过载事故中应确实进行动作。(应该假设事故点,制订阻抗图像,计算故障电流)
(2) PF·CB的情况下, PF (限流熔断器)和CB(断路器)应适当进行责任分担。(PF的容量及CB的断路容量的选择等)
(3) 应与高位系统的配电变电站OCR取得动作协调。(还应考虑OCR的惯性特性和断路器的全断路时间)
(4) 应与需要方内的分支OCR取得动作协调。
(5) 应与低压侧MCCB (布线用断路器)取得动作协调,使受电端OCR不会因低压侧事故而动作。
(6) OCR限时要素的动作时间不应超过变压器的热特性曲线。
(7) 接通断路器时,应使OCR的瞬间要素不因变压器内此时流通的励磁冲击电流而动作。
(8) 发生事故时变压器、断路器、电缆、CT(变流器)等设备应能承受短路强度及过载耐量。
(9) 应注意CT的选定。包括(容量、过电流常数等)。上述内容中,从OCR的使用方面来看(特别是分流的整定),(3)~ (7)项有着较大的关系。
■保护协调曲线的制订
在一张表上重叠描绘系统中设置的保护设备的动作时间特性,我们将此称为保护协调曲线图。描绘时,电流值换算为所有的高压侧。保护协调以限定事故为目的,因此该OCR一定比高位OCR先 动作。在同一事故电流值下受电端OCR (主侧OCR)的动作时间应比配电变电站的动作时间短。
因此,为了使特性曲线不重复,应在动作时间整定及动作电流整定上加差。
另外,受电端OCR和低压侧事故的协调与MCCB有关。低压负载在多数MCCB中被分支并保护,但MCCB 外壳(电流值)较大时,在动作特性曲线的A部可能会与OCR动作特性重叠。此时,无论事 故是否限定在低压侧,受电端的OCR先开启动作,全部停电,发生故障。为了防止这种情况,应将MCCB的外壳分割,或使用使限时要素部分动作时间特性倾斜的、具有强大特性的OCR。
变压器的热特性有寿命规定,在保护协调曲线上也可对此进行描绘。变压器的过载保护也是受电端OCR的重要作用之一,因此OCR的动作特性必须位于这一热特性的下侧。
另外,接通断路器时,会有励磁冲击电流流向变压器,还应考虑与该电流的协调。关于该内容将在下页详细说明。在受电端OCR中,与瞬间要素的分流整定有关。
■关于冲击电流
接通受电端的断路器后,区域内电气设备充电,流通过渡性电流。 在此期间,考虑①变压器的励磁冲击电流、②高压电容器的充电电流对受电端OCR产生的动作影响。
●变压器的励磁冲击电流
·如果变压器在无励磁的状态下,向1 次侧急剧施加电压(接通后),由于变压器不会发生逆电动势,因此铁芯的磁束暂时是饱和的。
电抗为零,与变压器的1次侧短路为同一状态,过渡性流通过大电流。第1波的波高值达到额定电流的十几倍甚至几十倍,峰值的连接时间为1-2Hz,需花2-3秒的时间稳定至额定电流。将此称 为励磁冲击电流。
励磁冲击电流的大小和持续时间不能一并进行计算,根据①变压器的种类、②施加电压、③接通相位、④铁芯的残留磁束、⑤变压器的负载状况等会发生较大变化,且每次接通也会有所差 异。
1次电压突然变动时,也会发生同样的现象。
·励磁冲击电流可称为衰减,由于峰值较高,连接时间较长,接通断路器时OCR可能会进行动作。因此,决定整定值,描绘保护 协调曲线时,必须考虑该励磁冲击电流。
·虽然OCR根据励磁冲击电流动作,但由于接通断路器时不能锁定OCR,因此在描绘保护协调曲线中,选择整定值(特别是瞬间要素动作电流值),使其在励磁冲击电流不动作,在短路事故 中进行动作。
接下来将对该方法进行说明。
(1) 额定电流10倍的电流点为0.1秒
以往的思维方式为,励磁冲击电流描绘变压器额定电流10倍 的电流值和0.1秒时间点的曲线,使OCR的动作时间特性曲线不会下降。但是,这里为1点,不能判断其前后的情况,在变压器逐渐迈向小型化的今天,导致瞬间要素的分流值增大。(从以下内容来看可发现过分考虑安全方面了)
(2) 根据每个励磁冲击电流的经过时间的电流值描绘曲线
为选择最佳瞬间分流值,至少需要了解在保护协调曲线上表 示的励磁冲击电流的衰减曲线。
右表所示为对每个变压器容量经过时间后的电流值进行计算的示例。计算的基础是变压器厂家提供的①第一波波高值(倍数)、②衰减时常数(循环)、③励磁冲击电流的实效值一时间曲线等。为具体描绘保护协调曲线,用电流值表示。例如油入的三相变压器300kVA下, 0.01秒时流通218A,0.05秒时流通146A,0.1秒时流通119A。因此,将这些值描绘成曲线。如果这个系统中有单相100kVA的变压器,加上该变压器部分的电流, 0.01秒时则为218+272=490A。
由于这个表中的数值是在最大值附近计算得出的值,因此根据该表,通过描绘励磁冲击电流曲线,基本上可以防止OCR的动作。
变压器励磁冲击电流(单相):6,600V
|
种类
|
变压器的容量
|
经过时间后的电流值(A)
|
|
容量
(kVA)
|
额定值
电流(A)
|
0.01s后
|
0.05s后
|
0.1s后
|
0.5s后
|
1s后
|
5s后
|
|
油入式变
压器
|
10
|
1.5
|
35.6
|
21.1
|
16.1
|
7.2
|
5.3
|
2.4
|
|
20
|
3.0
|
67.2
|
42.0
|
32.6
|
14.7
|
10.5
|
4.8
|
|
30
|
4.5
|
97.9
|
61.2
|
47.4
|
21.4
|
15.3
|
7.0
|
|
50
|
7.6
|
165
|
109
|
85.3
|
38.8
|
28.4
|
12.9
|
|
75
|
11.4
|
212
|
139
|
109
|
49.6
|
36.4
|
16.5
|
|
100
|
15.2
|
272
|
179
|
140
|
63.8
|
46.8
|
21.3
|
|
150
|
22.7
|
349
|
234
|
191
|
92.6
|
65.4
|
28.9
|
|
200
|
30.3
|
427
|
287
|
233
|
113
|
80.0
|
35.3
|
|
300
|
45.5
|
524
|
360
|
303
|
147
|
106
|
50.8
|
|
500
|
75.8
|
825
|
580
|
490
|
245
|
180
|
82.5
|
|
模铸式
变压器
|
10
|
1.5
|
30.7
|
18.2
|
13.9
|
6.2
|
4.6
|
2.1
|
|
20
|
3.0
|
57.6
|
34.2
|
26.1
|
11.7
|
8.6
|
3.9
|
|
30
|
4.5
|
77.8
|
48.6
|
37.7
|
17.6
|
12.2
|
5.6
|
|
50
|
7.6
|
107
|
66.9
|
51.8
|
23.4
|
16.7
|
7.7
|
|
75
|
11.4
|
153
|
101
|
79.0
|
35.9
|
26.3
|
12.0
|
|
100
|
15.2
|
175
|
115
|
90.3
|
41.0
|
30.1
|
15.2
|
|
150
|
22.7
|
218
|
146
|
119
|
57.9
|
40.9
|
22.7
|
|
200
|
30.3
|
271
|
187
|
153
|
76.4
|
55.1
|
30.3
|
|
330
|
45.5
|
379
|
266
|
225
|
112
|
82.8
|
45.5
|
|
500
|
75.8
|
631
|
453
|
394
|
217
|
158
|
75.8
|
变压器励磁冲击电流(三相):6,600V
|
种类
|
变压器的容量
|
经过时间后的电流值(A)
|
|
容量
(kVA)
|
额定值
电流(A)
|
0.01s后
|
0.05s后
|
0.1s后
|
0.5s后
|
1s后
|
5s后
|
|
油入式
变压器
|
20
|
1.7
|
28.3
|
16.8
|
12.8
|
5.7
|
4.2
|
1.9
|
|
30
|
2.6
|
43.3
|
25.7
|
19.6
|
8.8
|
6.4
|
2.9
|
|
50
|
4.4
|
64.8
|
40.5
|
31.4
|
14.2
|
10.1
|
4.7
|
|
75
|
6.6
|
76.0
|
47.5
|
36.8
|
16.6
|
11.9
|
6.6
|
|
100
|
8.7
|
94.7
|
59.2
|
45.8
|
20.7
|
14.8
|
8.7
|
|
150
|
13.1
|
117
|
77.0
|
60.5
|
27.5
|
20.2
|
13.1
|
|
200
|
17.5
|
146
|
95.6
|
75.1
|
34.1
|
25.0
|
17.5
|
|
300
|
26.2
|
218
|
146
|
119
|
57.9
|
40.9
|
26.2
|
|
500
|
43.7
|
308
|
212
|
178
|
86.5
|
62.5
|
43.7
|
|
750
|
65.6
|
462
|
325
|
274
|
137
|
101
|
65.6
|
|
1,000
|
87.5
|
616
|
433
|
366
|
183
|
135
|
87.5
|
|
1,500
|
131
|
755
|
542
|
472
|
259
|
189
|
131
|
|
2,000
|
175
|
896
|
672
|
616
|
364
|
252
|
175
|
|
模铸式
变压器
|
10
|
0.9
|
15.6
|
9.2
|
7.0
|
3.2
|
2.3
|
1.0
|
|
20
|
1.7
|
27.2
|
16.2
|
12.3
|
5.5
|
4.0
|
1.8
|
|
30
|
2.6
|
41.6
|
24.7
|
18.9
|
8.5
|
6.2
|
2.8
|
|
50
|
4.4
|
62.0
|
38.7
|
30.0
|
13.6
|
9.7
|
4.5
|
|
75
|
6.6
|
88.7
|
55.4
|
43.0
|
19.4
|
13.9
|
6.6
|
|
100
|
8.7
|
111
|
73.1
|
57.4
|
26.1
|
19.1
|
8.7
|
|
150
|
13.1
|
151
|
99.0
|
77.8
|
35.4
|
25.9
|
13.1
|
|
200
|
17.5
|
190
|
125
|
98.2
|
44.6
|
32.7
|
17.5
|
|
300
|
26.2
|
252
|
169
|
138
|
66.8
|
47.2
|
26.2
|
|
500
|
43.7
|
420
|
295
|
249
|
125
|
91.8
|
43.7
|
|
750
|
65.6
|
504
|
354
|
299
|
150
|
110
|
65.6
|
|
1,000
|
87.5
|
616
|
443
|
385
|
212
|
154
|
87.5
|
●高压电容器的充电电流
系统中有进相用的电容器,接通断路器时,流通过渡性充电电流。与变压器的励磁冲击电流相比,由于线路常数值较小,时间常数极小,立即衰减。因此,在OCR的瞬间要素的动作时间值0.02-0.05秒以下为恒定状态,无需顾虑OCR动作。但是,峰值时可能为几十倍-几百倍,该电流的电压下降(即电压),可能会在CT的2次侧引起瞬间溢出事故,或使含电力熔断器的电路熔断、老化。
●充电电流的大小
以下为一定条件下的充电电流,仅供参考。
高压电容器充电电流
|
电容器容量
(kVA)
|
额定值电流
(A)
|
电线径
(假设)
|
经过时间后的电流值(A)
|
插入6%电抗
|
|
t=0的最
大值
|
0.005s
后
|
0.01s
后
|
0.02s
后
|
0.05s
后
|
0.1s后
|
电抗容量(kVA)
|
t=0的最大值
|
|
10
20
50
75
100
200
500
750
1,000
|
0.9
1.7
4.4
6.6
8.7
17.5
43.7
65.6
87.5
|
2.6mm2
2.6mm2
2.6mm2
3.2mm2
4mm2
22mm2
50mm2
80mm2
100mm2
|
149
249
336
428
503
736
1,226
1,548
1,819
|
1.3
2.3
5.2
12.5
38.2
146
544
929
1,383
|
0.9
1.7
4.4
6.7
10.5
40.3
256
564
1,057
|
0.9
1.7
4.4
6.6
8.7
18.2
82.0
233
636
|
0.9
1.7
4.4
6.6
8.7
17.5
43.9
72.0
105
|
0.9
1.7
4.4
6.6
8.7
17.5
43.7
65.6
92.9
|
—
—
3
4.5
6
12
30
40
60
|
—
—
5.9
8.9
11.7
23.6
58.9
88.3
118
|
上表所示值为通过线路常数,在电容器上施加电压波高值时的过渡电流和恒定状态下流通的交流电流相加所得的最大值。过渡电流为电容器容量和线路常数决定的固有频率的高次谐波电流,如右图所示,为衰减波形。
■保持协调示例
在某系统示例中,计算变压器的励磁冲击电流的曲线,据此求出不动作OCR的瞬间分流。
①首先,在保护协调图表上描绘K2CA的动作时间特性曲线。限时整定为4A,
②接着根据变压器励磁冲击电流表,按变压器容量列出计算的电流值,此时有2个变压器,因此对其进行加法计算。
|
|
0.01s
|
0.05s
|
0.1s
|
0.5s
|
1s
|
5s
|
|
3φT 300kVA
|
218A
|
146A
|
119A
|
57.9A
|
40.9A
|
26.2A
|
|
1φT 100kVA
|
272A
|
179A
|
140A
|
63.8A
|
46.8A
|
21.3A
|
|
合计
|
490A
|
325A
|
259A
|
121.7A
|
87.7A
|
47.5A
|
③在图表上描绘时间和电流值的曲线。
④该励磁冲击电流曲线选择与OCR瞬间要素时间特性不交叉的瞬间要素分流,此时为40A以上。
⑤在以下保护协调示例中,用虚线表示额定电流的10倍、0.1秒的点,由此则为50A以上。
⑥在高压电容器充电电流表上描绘电容器的充电电流。该曲线的电流值较小,即使按励磁冲击电流曲线和时间进行相加,也与励磁冲击电流曲线有较大的差异,从OCR的动作方面来看,可发 现仅考虑励磁冲击电流即可。
■关于CT的选择
为正确使用OCR,必须注意对事故电流进行检测的CT。OCR用的 CT在事故时,必须使OCR正确动作,不会发生误动作、误不动作。因此,恒定状态的误差没有太大关系,而CT的过电流区域的特性较为重要。容量(VA)不足的CT中流通额定电流值以上的大电流时,会使CT引起磁饱和, OCR中流通的电流不会与CT1次电流成比例增加,其结果导致瞬间要素动作值的误差增大。另外,在CT2次电流解扣方式下,如果OCR动作,跳闸线圈施加到CT的负载上, CT的饱和将变得更高,电流实效值减少,虽然OCR在动作,但会发生不能跳闸的情况。因此,选择CT的容量、过电流常数时必须充分讨论。
请参考以上公式。
另外,CT2次电流解扣方式OCR中,如果CT容量过大,2次负载极少,OCR的跳闸接点将会开放较大的事故电流,导致接点的损伤。 (参见K2CA的内容)
|