Page top

STC / FS系列

工业用相机

STC / FS系列

这些相机可轻松实现以往图像处理系统无法实现的复杂、高速、灵活的系统构建,及不使用电脑拍摄放大图像的目测检查辅助等。

STC-CM□120APCL-□□系列已于2022年1月订货截止。NU3MBASU3□-□□□M已于2021年10月底订货截止。 STC-CM□33PCL已于2021年9月底订货截止。工业用相机GigE Vision S系列部分产品预定于2021年4月底订货截止。HD高清相机 STC-HD203DV系列、STC-HD203SDI系列部分产品预定于2021年3月底订货截止。STC-MBCM200U3V(-NIR)已于2021年11月底订货截止。

(单位:mm)

关于外形尺寸

·本样本刊载有典型型号的外形图。未刊载的型号外形图,请确认CAD数据。

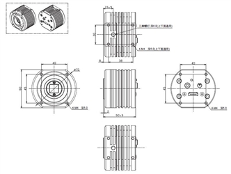
GigE Vision CMOS小型机型 M系列

黑白

STC-MBS43POE
STC-MBS163POE
STC-MBS312POE
STC-MBS500POE

STC / FS系列 外形尺寸 4

STC-MBS881POE
STC-MBS122BPOE

STC / FS系列 外形尺寸 5

彩色

STC-MCS43POE
STC-MCS163POE
STC-MCS312POE
STC-MCS500POE

STC / FS系列 外形尺寸 7

STC-MCS881POE
STC-MCS122BPOE

STC / FS系列 外形尺寸 8

GigE Vision CMOS机型 S系列

STC / FS系列 外形尺寸 9

GigE Vision CMOS 线扫相机

C 卡口

STC / FS系列 外形尺寸 11

F 卡口

STC / FS系列 外形尺寸 12

M42 卡口

STC / FS系列 外形尺寸 13

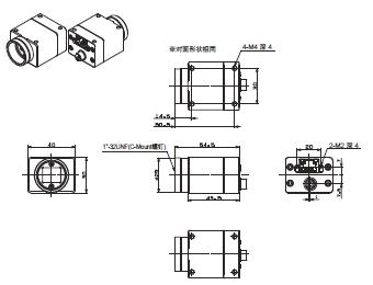
USB3.0机型

STC-MBE/MCE132U3V
STC-MBA/MCA5MUSB3

STC / FS系列 外形尺寸 15

STC-MBS/MCS43U3V
STC-MBS/MCS163U3V
STC-MBCM200U3V(-NIR)
STC-MBCM/MCCM401U3V(-NIR)
STC-MBS/MCS241U3V
STC-MBS/MCS231U3V
STC-MBS/MCS312U3V(-SE)
STC-MBS/MCS322U3V(-SE)
STC-MBS/MCS500U3V(-SE)
STC-MBS/MCS510U3V(-SE)

STC / FS系列 外形尺寸 16

STC-MBS/MCS70BU3V
STC-MBS/MCS881U3V
STC-MBS/MCS891U3V
STC-MBS/MCS122BU3V
STC-MBS/MCS123BU3V
STC-MBS/MCS2041U3V

STC / FS系列 外形尺寸 17

USB3.0 头部分离机型

STC-RBS/RCS163U3V-SM121(SM12)

STC / FS系列 外形尺寸 19

STC-RBS163/RCS163U3V-UM121(UM12)

STC / FS系列 外形尺寸 20

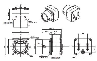
CoaXPress机型

STC-CMB/CMC120ACXP-T
STC-CMB/CMC120ACXP-T-F

STC / FS系列 外形尺寸 22

STC-CMB/CMC120ACXP
STC-CMB120ACXP-F/CMC120ACXP-F

STC / FS系列 外形尺寸 23

STC-CMB/CMC401CXP

STC / FS系列 外形尺寸 24

Opt-C:Link机型

STC-CMB/CMC120AOPT-F

STC / FS系列 外形尺寸 26

STC-CMB(C)120AOPQ

STC / FS系列 外形尺寸 27

CameraLink CMOS机型

STC-CMB/CMC33PCL

STC / FS系列 外形尺寸 29

STC-CMB/CMC200PCL
STC-CMB/CMC401PCL

STC / FS系列 外形尺寸 30

STC-APB/APC503PCL

STC / FS系列 外形尺寸 31

STC-SPB/SPC43PCL
STC-SPB/SPC52PCL
STC-SPB/SPC163PCL
STC-SPB/SPC202PCL

STC / FS系列 外形尺寸 32

STC-SPB/SPC322PCL
STC-SPB/SPC510PCL
STC-SPB/SPC891PCL
STC-SPB/SPC123BPCL

STC / FS系列 外形尺寸 33

STC-SPB/SPC312PCL
STC-SPB/SPC500PCL
STC-SPB/SPC881PCL
STC-SPB/SPC122BPCL

STC / FS系列 外形尺寸 34

STC-CMB/CMC120APCL

STC / FS系列 外形尺寸 35

STC-CMB/CMC120APCL-F

STC / FS系列 外形尺寸 36

STC-OSB250CL

STC / FS系列 外形尺寸 37

STC-OSB250CL-F

STC / FS系列 外形尺寸 38

CameraLink 头部分离机型

STC-RBS/RCS43PCL-SM12
STC-RBS/RCS163PCL-SM12

STC / FS系列 外形尺寸 40

STC-RBS/RCS43PCL-UM12
STC-RBS/RCS163PCL-UM12

STC / FS系列 外形尺寸 41

Camera Link 型线扫相机

C 卡口(2K/4K)

STC / FS系列 外形尺寸 43

F 卡口(2K/4K/8K)

STC / FS系列 外形尺寸 44

M42 卡口(2K/4K/8K)

STC / FS系列 外形尺寸 45

M72 卡口(8K/16K)

STC / FS系列 外形尺寸 46

4K HDMI相机

STC-HD853HDMI

STC / FS系列 外形尺寸 48

HD高清相机

STC-HD203DV

STC / FS系列 外形尺寸 50

STC-HD203DV-CS

STC / FS系列 外形尺寸 51

HD-SDI高清相机

STC-HD203SDI

STC / FS系列 外形尺寸 53

STC-HD203SDI-CS

STC / FS系列 外形尺寸 54

模拟逐行扫描相机系列

STC-MB33SS

STC / FS系列 外形尺寸 56

TV格式 彩色相机 S133N-B系列

BJ型

STC / FS系列 外形尺寸 58

BT型

STC / FS系列 外形尺寸 59

小型裸板相机 STC-S133系列

STC-S133N(P)/I

STC / FS系列 外形尺寸 61

STC-S133N(P)/ICS

STC / FS系列 外形尺寸 62

STC-S133N(P)-L/LS/IL/ILS

STC / FS系列 外形尺寸 63

STC-S133N(P)-NF

STC / FS系列 外形尺寸 64

STC-S133N(P)-AL/IAL

STC / FS系列 外形尺寸 65

STC-S133N(P)-ACS/IACS

STC / FS系列 外形尺寸 66

STC-S133MIP(D)

STC / FS系列 外形尺寸 67

STC-S133MIP-L(DL)

STC / FS系列 外形尺寸 68

STC-S133MIP-CS(DCS)

STC / FS系列 外形尺寸 69

STC-S133MIP-NF

STC / FS系列 外形尺寸 70

STC-S133MIP-ALL/DALL

STC / FS系列 外形尺寸 71

STC-S133MIP-ALCS/DALCS

STC / FS系列 外形尺寸 72

STC-S133UVC-ALL/DALL

STC / FS系列 外形尺寸 73

STC-S133UVC-ALCS/DALCS

STC / FS系列 外形尺寸 74

STC-S133UVC-BL(DBL)

STC / FS系列 外形尺寸 75

STC-S133UVC-BLL(DBLL)

STC / FS系列 外形尺寸 76

STC-S133UVC-BLCS(DBLCS)

STC / FS系列 外形尺寸 77

STC-S133UVC-BS(DBS)

STC / FS系列 外形尺寸 78

STC-S133UVC-BSL(DBSL)

STC / FS系列 外形尺寸 79

STC-S133UVC-BSCS(DBSCS)

STC / FS系列 外形尺寸 80