Page top

2017/07 生产终止

ES1

非接触温度传感器

ES1

无需接触工件,即可测量温度。 实现无损伤、卫生且高效的温度管理

该页面所登载的内容是基于生产终止以前的产品样本制作而成的参考信息,产品的特点/种类/规格/配件等可能与现在所使用的不同。请在使用时确认系统的兼容性及安全性。

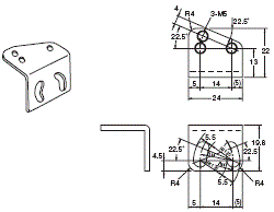
(单位:mm)

ES1-LP3
ES1-LP10
ES1-LW50H
ES1-LW50

ES1 外形尺寸 2

ES1-LW100H
ES1-LW100

ES1 外形尺寸 4

安装支架

ES1 外形尺寸 5

通过调整安装支架的螺丝位置,最大可以将方向变换45°。
支架由呈镜像对称的两个组成,通过变换组合方式可使安装方向朝下。

支架A

ES1 外形尺寸 6

支架B

ES1 外形尺寸 7