Page top

2016/03 生产终止

APR-S

反转防止继电器

APR-S

电压检测方式的三相电机防反转继电器

该页面所登载的内容是基于生产终止以前的产品样本制作而成的参考信息,产品的特点/种类/规格/配件等可能与现在所使用的不同。请在使用时确认系统的兼容性及安全性。

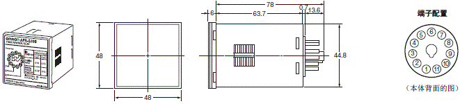
(单位:mm)

本体

APR-S

APR-S 外形尺寸 3 APR-S_Dim

APR-S380/S440

APR-S 外形尺寸 5 APR-S380/S440_Dim

插座安装时的尺寸

APR-S 外形尺寸 7 PFP-100N/PFP-50N_Dim

注: 详情请参见共用插座/DIN导轨相关产品。