Page top

XS2

圆型防水接插件 (M12螺钉式)

XS2

节省工时、节省维护保养费用、强耐环境性的FA用防水接插件

XS2F部分产品、XS2H部分产品、XS2W部分产品已于2023年3月底订货截止。XS2系列预定于2025年3月底订货截止。

(单位:mm)

XS2W 带电缆接插件 插座/插头 两侧接插件

直线型/直线型接插件
不易燃、机器人电缆产品
XS2W-D421-□81-F
防溅电缆产品
XS2W-D421-D81-SA
标准电缆(5芯)
XS2W-D521-□G1-A

XS2 外形尺寸 2

L型/L型接插件
不易燃、机器人电缆产品
XS2W-D422-□81-F

XS2 外形尺寸 3

直线型/L型接插件
不易燃、机器人电缆产品
XS2W-D423-□81-F

XS2 外形尺寸 4

L型/直线型接插件
不易燃、机器人电缆产品
XS2W-D422-□81-F

XS2 外形尺寸 5

配线图(4芯型)

XS2 外形尺寸 6

配线图(5芯型)

XS2 外形尺寸 7

XS2F 带电缆接插件 单侧插座接插件

直线型接插件
不易燃、机器人电缆产品
XS2F-D421-□□0-F
XS2F-A421-□□0-F
标准电缆产品(直流无极性用)
XS2F-D421-□□0
XS2F-A421-□□0
不易燃、机器人电缆产品(E2E旧端子配线用)
XS2F-D421-□□0
耐热电缆产品(105℃)
XS2F-E421-□80-E
防溅电缆产品
XS2F-D421-□80-SA

XS2 外形尺寸 9

L型接插件
不易燃、机器人电缆产品
XS2F-D422-□□0-F
XS2F-A422-□□0-F
标准电缆产品(直流无极性用)
XS2F-D422-□□0
XS2F-A422-□□0
不易燃、机器人电缆产品(E2E旧端子配线用)
XS2F-D422-□□0
耐热电缆产品(105℃)
XS2F-E422-□80-E

XS2 外形尺寸 10

直线型接插件
XS2F-D521-□G0-A

XS2 外形尺寸 11

注:请结合XS2F-D521-□G0-A
  使用XS2H-D521-□G0-A。

L型接插件
XS2F-D522-□G0-A

XS2 外形尺寸 12

XS2F-G/-H 带电缆接插件 单侧插座接插件 防止螺钉松弛构造

直线型
XS2F-G421-□80-F
XS2F-G421-□90-F

XS2 外形尺寸 14

L型
XS2F-G422-□80-F
XS2F-G422-□90-F

XS2 外形尺寸 15

XS2F 带电缆接插件 单侧插座接插件 带LED

L形
XS2F-M12PVC3A□MPLED
XS2F-M12PVC4A□MPLED

XS2 外形尺寸 17

XS2H 带电缆接插件 单侧插头接插件

直线型接插件(4极)
不易燃、机器人电缆产品 XS2H-□421-□□0-F
防溅电缆 XS2H-D421-□80-SA

XS2 外形尺寸 19

配线图

XS2 外形尺寸 20

直线型接插件(5极)
标准电缆 XS2H-D521-□G0-A(DC用)

XS2 外形尺寸 21

注:请结合XS2H-D521-□G0-A
  使用XS2F-D521-□G0-A。

XS2□ 带电缆接插件(8极)

单侧插头接插件 (M12)
XS2H

XS2 外形尺寸 23

单侧插座接插件 (M12)
XS2F

XS2 外形尺寸 24

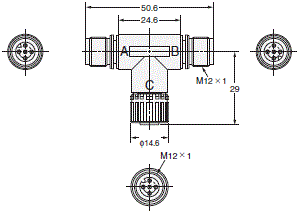
插座/插头两侧接插件 (M12)
XS2W

XS2 外形尺寸 25

面板安装插座 (M12)
后锁
XS2P-D821-2 (带焊帽端子)

XS2 外形尺寸 26

面板安装插头(M12)
前锁
XS2M-D824-4 (带焊帽端子)

XS2 外形尺寸 27

面板安装插座 (M12)
前锁
XS2P-D822-2 (带焊帽端子)

XS2 外形尺寸 28
XS2 外形尺寸 29

注1.安装面板厚度:1~4mm。
 2.焊帽端子的适用芯线尺寸:最大0.5mm2
 3.附带M16螺母和密封橡胶。

XS2G 组合式接插件插头(压接/焊接)

直线型接插件
XS2G-□4C□(压接型)
XS2G-□42□(焊接型)

XS2 外形尺寸 31

L型接插件
XS2G-D42□(焊接型)

XS2 外形尺寸 32

XS2U XS2G的压接端子

XS2U-312□

XS2 外形尺寸 34

注:必须使用特殊工具进行压接。详情请参见样本。

XS2C 组合式接插件 插座(压接/焊接)

直线型接插件

XS2 外形尺寸 36

L型接插件

XS2 外形尺寸 37

XS2U XS2C的压接端子

插座端子

XS2 外形尺寸 39

注:必须使用特殊工具进行压接。详情请参见样本。

XS2G 组合式接插件 插头(螺钉连接型)

直线型
适合电缆外径φ8mm型号
XS2G-D5S7(5极)
XS2G-D4S7(4极)
适合电缆外径φ7mm型号
XS2G-D5S9(5极)
XS2G-D4S9(4极)

XS2 外形尺寸 41

直线型
适合电缆外径φ6mm型号
XS2G-D5S1(5极)
XS2G-D4S1(4极)
适合电缆外径φ4mm型号
XS2G-D4S3(4极)
适合电缆外径φ3mm型号
XS2G-D4S5(4极)

XS2 外形尺寸 42

L型
适合电缆外径φ6mm型号
XS2G-D5S2(5极)
XS2G-D4S2(4极)
适合电缆外径φ4mm型号
XS2G-D4S4(4极)
适合电缆外径φ3mm型号
XS2G-D4S6(4极)

XS2 外形尺寸 43

XS2C 组合式接插件 插座(螺钉连接型)

直线型
适合电缆外径φ8mm型号
XS2C-D5S7(5极)
XS2C-D4S7(4极)
适合电缆外径φ7mm型号
XS2C-D5S9(5极)
XS2C-D4S9(4极)

XS2 外形尺寸 45

直线型
适合电缆外径φ6mm型号
XS2C-D5S1(5极)
XS2C-D4S1(4极)
适合电缆外径φ4mm型号
XS2C-D4S3(4极)
适合电缆外径φ3mm型号
XS2C-D4S5(4极)

XS2 外形尺寸 46

L型
适合电缆外径φ6mm型号
XS2C-D5S2(5极)
XS2C-D4S2(4极)
适合电缆外径φ4mm型号
XS2C-D4S4(4极)
适合电缆外径φ3mm型号
XS2C-D4S6(4极)

XS2 外形尺寸 47

XS2P 接线盒用接插件 插座(面板安装)

后锁型号
XS2P-□421-2(带焊帽端子)

XS2 外形尺寸 49

前锁型号
XS2P-□422-1(带DIP端子)
XS2P-□422-2(带焊帽端子)

XS2 外形尺寸 50

前锁型号
XS2P-D522-1(带DIP端子)
XS2P-D522-2(带焊帽端子)

XS2 外形尺寸 51
XS2 外形尺寸 52

注:安装面板厚度为1~4mm。

XS2R Y型连接插头/插座接插件

Y型连接 插头/插座 两侧接插件
XS2R-D426-□11-F

XS2 外形尺寸 54

Y型连接 插座 单侧接插件
XS2R-D426-□10-F

XS2 外形尺寸 55

Y型连接 插头/插座 不带电缆
XS2R-D426-1

XS2 外形尺寸 56

XS2R T型连接插头/插座接插件

集合型
XS2R-D422-1
XS2R-D422-5

XS2 外形尺寸 58

分支型
XS2R-D423-1

XS2 外形尺寸 59

菊花链型
XS2R-D424-1

XS2 外形尺寸 60

XS2M 传感器嵌入式接插件插头

带螺纹的嵌入式插头
XS2M-D421 (DC)
XS2M-A421 (AC)

XS2 外形尺寸 62

注:安装后,请使用树脂填充固定焊帽端子。

不带螺纹的嵌入式插头
XS2M-D422 (DC)
XS2M-A422 (AC)

XS2 外形尺寸 63

注:安装后,请使用树脂填充固定焊帽端子。

XS2M 面板安装接插件插头

法兰安装型
XS2M-D423(DC用)
XS2M-A423(AC用)

XS2 外形尺寸 65

螺丝安装型
XS2M-□424-1 DIP端子用(树脂外壳)
XS2M-D424-3 DIP端子(金属本体)

XS2 外形尺寸 66

螺丝安装型
XS2M-□424-2 焊帽端子(树脂本体)
XS2M-D424-4 焊帽端子(金属本体)

XS2 外形尺寸 67

螺丝安装型
XS2M-D524-1 DIP端子用(树脂本体)

XS2 外形尺寸 68

螺丝安装型
XS2M-D524-2 焊帽端子用(树脂本体)

XS2 外形尺寸 69

螺丝安装型
XS2M-D524-3 DIP端子用(金属本体)

XS2 外形尺寸 70

螺丝安装型
XS2M-D524-4 焊帽端子用(金属本体)

XS2 外形尺寸 71

XS2Z 接插件盖

防水盖

XS2Z-11

XS2 外形尺寸 74

XS2Z-22

XS2 外形尺寸 75

防尘盖

XS2Z-13

XS2 外形尺寸 77

XS2Z-15/XS2Z-14

XS2 外形尺寸 78

防松弛C环

XS2Z-18

XS2 外形尺寸 80

注:请务必把C环安装在插头和插座的两侧

防溅保护盖

XS2Z-31

XS2 外形尺寸 82

XS2F 工具

扭矩扳手

XY2F-0004

XS2 外形尺寸 86

压接工具

XY2F-0002

XS2 外形尺寸 88

定位器

XY2F-0003

XS2 外形尺寸 90
XS2 外形尺寸 91

通过压接型接插件 (XS2C/XS2G),将压接触头 (XS2U) 压接在电缆芯线上时使用。

• XY2F-0002压接工具使用DMC公司制造的AFM8 (M22520/2-01)。
• 通过附带的螺钉,将另售的定位器 (XY2F-0003) 固定至压接工具的定位器导向部。

端子块拉拔工具

XY2F-0001

XS2 外形尺寸 94

用于在组装式接插件(XS2C/XS2G:焊接型/压接型)的端子块上安装罩盖,然后在变更接线、修正误接线时,从罩盖上拔下端子块的场合。