Page top

S8V-NF

抗干扰滤波器(单相250V 3A/6A型)

S8V-NF

适用于控制柜的DIN导轨安装型形状纤细,节省空间Push-In连接,安全&接线简单

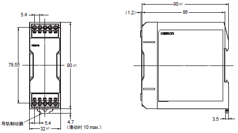
(单位:mm)

S8V-NFS203
S8V-NFS206

S8V-NF 外形尺寸 1

安装支架另售品

S8V-NF 外形尺寸 2

导轨安装用另售件

支撑导轨(铝制)

PFP-100N
PFP-50N

S8V-NF 外形尺寸 5

支撑导轨(铝制)

PFP-100N2

S8V-NF 外形尺寸 7

固定支架(终端板)

PFP-M

S8V-NF 外形尺寸 9

注. 可能受到振动、冲击的用途中,可能会因铝的磨损而产生金属碎屑,这种情况下请使用铁制DIN导轨。