Page top

H3Y-C

固态定时器

H3Y-C

可兼容MY继电器的微型定时器

(单位:mm)

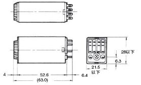
定时器

H3Y-2-C

H3Y-C 外形尺寸 2

H3Y-4-C

H3Y-C 外形尺寸 3

连接插座 (另售)

H3Y/H3YN系列
正面连接插座

PYFZ-08

H3Y-C 外形尺寸 6

PYFZ-14

H3Y-C 外形尺寸 7

PYFZ-08-E
(指触保护结构)

H3Y-C 外形尺寸 8

PYFZ-14-E
(指触保护结构)

H3Y-C 外形尺寸 9

PYF08M

H3Y-C 外形尺寸 10

H3Y/H3YN系列
背面连接插座

PY08

H3Y-C 外形尺寸 12

PY14

H3Y-C 外形尺寸 13

PY08-02

H3Y-C 外形尺寸 14

PY14-02

H3Y-C 外形尺寸 15

PY08QN
PY08QN2

H3Y-C 外形尺寸 16

PY14QN
PY14QN2
PY14QN-Y3(L=60以下)
PY14QN2-Y3(L=60以下)

H3Y-C 外形尺寸 17

H3Y-□-B/H3YN-□-B系列
正面连接插座

PYF-08-PU-L

H3Y-C 外形尺寸 19

PYF-14-PU-L

H3Y-C 外形尺寸 20

插座安装板 (t = 1.6)

H3Y-C 外形尺寸 22

注:可将PYP-18裁剪至任何所需的长度。

PYP-1

H3Y-C 外形尺寸 23

PYP-18

H3Y-C 外形尺寸 24

继电器紧固夹
Y92H-3
Y92H-4

注.将固定支架从插座装卸时,请注意戴手套保护,以免固定支架使手指受伤。

PYF□A插座专用
Y92H-3
(2个紧固夹组)

H3Y-C 外形尺寸 26

PY□、PYF□M
插座专用
Y92H-4

H3Y-C 外形尺寸 27

安装导轨
PFP-100N/PFP-50N(请参见注1)

H3Y-C 外形尺寸 28

注1. 符合DIN EN50022标准。
 2. 该尺寸适用于PFP-50N。

终端版
PFP-M

H3Y-C 外形尺寸 29

衬垫
PFP-S

H3Y-C 外形尺寸 30