Page top

A22NN / A22NL

按钮开关

A22NN / A22NL

φ22mm按钮开关,短小机型和配线方向的变更实现了控制柜的小型化,新增简单配线的Push-In Plus端子台型

A22NN/A22NL系列部分产品预定于2023年3月底订货截止。

(单位:mm)

按钮开关(带灯/不带灯型)

平型(树脂边框)

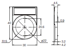
A22NN-BN□-N□A-G□-NN

A22NN / A22NL 外形尺寸 2

A22NN-BN□-N□A-P□-NN

A22NN / A22NL 外形尺寸 3

A22NL-BN□-T□A-G□-□□
A22NN-BN□-U□A-G□-NN

A22NN / A22NL 外形尺寸 4

A22NL-BN□-T□A-P□-□□
A22NN-BN□-U□A-P□-NN

A22NN / A22NL 外形尺寸 5

凸出型(树脂边框)

A22N□-BP□-□A-G□-□□

A22NN / A22NL 外形尺寸 6

A22N□-BP□-□A-P□-□□

A22NN / A22NL 外形尺寸 7

全保护罩型(树脂边框)

A22N□-BG□-□A-G□-□□

A22NN / A22NL 外形尺寸 8

A22N□-BG□-□A-P□-□□

A22NN / A22NL 外形尺寸 9

蘑菇型(树脂边框)

A22N□-BM□-□A-G□-□□

A22NN / A22NL 外形尺寸 10

A22N□-BM□-□A-P□-□□

A22NN / A22NL 外形尺寸 11

平型(金属边框)

A22NN-MN□-N□A-G□-NN

A22NN / A22NL 外形尺寸 12

A22NN-MN□-N□A-P□-NN

A22NN / A22NL 外形尺寸 13

A22NL-MN□-T□A-G□-□□
A22NN-MN□-U□A-G□-NN

A22NN / A22NL 外形尺寸 14

A22NL-MN□-T□A-P□-□□
A22NN-MN□-U□A-P□-NN

A22NN / A22NL 外形尺寸 15

凸出型(金属边框)

A22N□-MP□-□A-G□-□□

A22NN / A22NL 外形尺寸 16

A22N□-MP□-□A-P□-□□

A22NN / A22NL 外形尺寸 17

全保护罩型(金属边框)

A22N□-MG□-□A-G□-□□

A22NN / A22NL 外形尺寸 18

A22N□-MG□-□A-P□-□□

A22NN / A22NL 外形尺寸 19

蘑菇型(金属边框)

A22N□-MM□-□A-G□-□□

A22NN / A22NL 外形尺寸 20

A22N□-MM□-□A-P□-□□

A22NN / A22NL 外形尺寸 21

平型(金属圆框)

A22NN-RN□-N□A-G□-NN

A22NN / A22NL 外形尺寸 22

A22NN-RN□-N□A-P□-NN

A22NN / A22NL 外形尺寸 23

A22NL-RN□-T□A-G□-□□
A22NN-RN□-U□A-G□-NN

A22NN / A22NL 外形尺寸 24

A22NL-RN□-T□A-P□-□□
A22NN-RN□-U□A-P□-NN

A22NN / A22NL 外形尺寸 25

凸出型(金属圆框)

A22N□-RP□-□A-G□-□□

A22NN / A22NL 外形尺寸 26

A22N□-RP□-□A-P□-□□

A22NN / A22NL 外形尺寸 27

蘑菇型(金属圆框)

A22N□-RM□-□A-G□-□□

A22NN / A22NL 外形尺寸 28

A22N□-RM□-□A-P□-□□

A22NN / A22NL 外形尺寸 29

连接时的进深尺寸(螺钉端子台型)

A22NN / A22NL 外形尺寸 30

2接点单元安装时的进深尺寸(Push-In Plus端子台型)

A22NN / A22NL 外形尺寸 31

端子配线图

BOTTOM VIEW(螺钉端子台型)

A22NN / A22NL 外形尺寸 33

BOTTOM VIEW(Push-In Plus端子台型)

A22NN / A22NL 外形尺寸 34

端子连接图

A22NN / A22NL 外形尺寸 35

单品(共用)

LED灯
A22NZ-L-□□

A22NN / A22NL 外形尺寸 37

安装台
A22NZ-H-01

A22NN / A22NL 外形尺寸 38

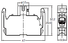
螺钉端子台规格

开关部
A22NZ-S-G1□

A22NN / A22NL 外形尺寸 40

亮灯部位
A22NZ-T-□

A22NN / A22NL 外形尺寸 41

Push-In Plus端子台规格

开关部(1接点)
A22NZ-S-P1□

A22NN / A22NL 外形尺寸 43

开关部(2接点)
A22NZ-S-P2□

A22NN / A22NL 外形尺寸 44

亮灯部位
A22NZ-T-□P

A22NN / A22NL 外形尺寸 45

附件和工具

保护盖
A22NZ-A-303

A22NN / A22NL 外形尺寸 47

面板插头(树脂)
A22NZ-A-401

A22NN / A22NL 外形尺寸 48

面板插头(金属)
A22NZ-A-402

A22NN / A22NL 外形尺寸 49

限位圈
A22NZ-A-403

A22NN / A22NL 外形尺寸 50

止转片
A22NZ-A-50501

A22NN / A22NL 外形尺寸 51

增强板
A22NZ-A-C01

A22NN / A22NL 外形尺寸 52

控制盒
A22NZ-A-B01Y

A22NN / A22NL 外形尺寸 53

防水罩

・平型用 A22Z-3600F

A22NN / A22NL 外形尺寸 55

・凸出型用 A22Z-3600T

A22NN / A22NL 外形尺寸 56

・全保护罩用 A22Z-3600G

A22NN / A22NL 外形尺寸 57

φ30用树脂附件 
A22Z-A30

A22NN / A22NL 外形尺寸 58

铭牌单元

・标准 A22NZ-A-50103

A22NN / A22NL 外形尺寸 60

・大型 A22NZ-A-51103

A22NN / A22NL 外形尺寸 61

雕刻版

・标准型用 A22Z-3443□-□

A22NN / A22NL 外形尺寸 63

・大型用 A22Z-3453□

A22NN / A22NL 外形尺寸 64

紧固扳手
A22NZ-A-301

A22NN / A22NL 外形尺寸 65

LED灯更换工具
A22NZ-A-302

A22NN / A22NL 外形尺寸 66

盖紧固工具
A22Z-3908

A22NN / A22NL 外形尺寸 67