Page top

2014/03 生产终止

S8VE

开关电源(60/90/120/180/240W型)

S8VE

(60/90/120/180/240W型)不带指示灯显示器的标准型电源升级版。

该页面所登载的内容是基于生产终止以前的产品样本制作而成的参考信息,产品的特点/种类/规格/配件等可能与现在所使用的不同。请在使用时确认系统的兼容性及安全性。

(单位:mm)

带螺钉端子块的电源

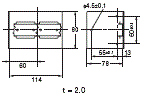
S8VE-06024 (60 W)

S8VE 外形尺寸 2

S8VE-09024 (90 W)
S8VE-12024 (120 W)

S8VE 外形尺寸 3

注: 上图为S8VE-12024型。

S8VE-18024 (180 W)

S8VE 外形尺寸 4

S8VE-24024 (240 W)

S8VE 外形尺寸 5

不带螺钉端子块的电源

S8VE-06024-F (60 W)

S8VE 外形尺寸 7

S8VE-09024-F (90 W)
S8VE-12024-F (120 W)

S8VE 外形尺寸 8

注: 上图为S8VE-12024-F型。

S8VE-18024-F (180 W)

S8VE 外形尺寸 9

S8VE-24024-F (240 W)

S8VE 外形尺寸 10

DIN导轨(另售)

安装导轨(材质:铝)
PFP-100N
PFP-50N

S8VE 外形尺寸 12

* 括号内为适用于PFP-50N的数值。

安装导轨(材质:铝)
PFP-100N2

S8VE 外形尺寸 13

端板
PFP-M

S8VE 外形尺寸 14

注: 如果单元可能受到振动或冲击,请使用钢质DIN导轨。 否则可能由于金属磨损导致铝制产品产生破损。

安装配件

类型 型号 外形尺寸 外观
侧面安装配件
(用于60、90、120W
型)
S82Y-VS10S
3251_dm_12_1
3251_dm_12_5
侧面安装配件
(用于180W型)
S82Y-VS15S
3251_dm_12_2
3251_dm_12_6
侧面安装配件
(用于240W型)
S82Y-VS20S
3251_dm_12_3
3251_dm_12_7
正面安装配件
(用于60、90、120、
180、240W型)
S82Y-VS10F
3251_dm_12_4
3251_dm_12_8