Page top

R88L-EC, R88D-KN□-ECT-L

G5系列EtherCAT通信直线电机内置型直线电机/伺服驱动器

R88L-EC, R88D-KN□-ECT-L

高速、高精度直线电机

(单位:mm)

AC伺服电机/驱动器 G5系列

<墙壁安装>

单相AC100V R88D-KN01L-ECT-L (100W)
单相/三相AC200V R88D-KN01H-ECT-L/-KN02H-ECT-L (100~200W)

R88L-EC, R88D-KN□-ECT-L 外形尺寸 3

单相AC100V R88D-KN02L-ECT-L (200 W)
单相/三相AC200V R88D-KN04H-ECT-L (400 W)

R88L-EC, R88D-KN□-ECT-L 外形尺寸 4

单相AC100V R88D-KN04L-ECT-L (400 W)
单相/三相AC200V R88D-KN08H-ECT-L (750 W)

R88L-EC, R88D-KN□-ECT-L 外形尺寸 5

注: R88D-KN□-ECT-L为EtherCAT通信内置型AC伺服驱动器。

单相/三相AC200V R88D-KN10H-ECT-L/-KN15H-ECT-L (1kW~1.5kW)

R88L-EC, R88D-KN□-ECT-L 外形尺寸 6

三相AC400V R88D-KN06F-ECT-L/-KN10F-ECT-L (600W~1.0kW)
三相AC400V R88D-KN15F-ECT-L (1.5 kW)

R88L-EC, R88D-KN□-ECT-L 外形尺寸 7

三相AC400V R88D-KN20F-ECT-L (2 kW)

R88L-EC, R88D-KN□-ECT-L 外形尺寸 8

三相AC400V R88D-KN30F-ECT-L (3 kW)

R88L-EC, R88D-KN□-ECT-L 外形尺寸 9

直线电机

铁芯直线电机

电机线圈单元
R88L-EC-FW-0303/-0306

R88L-EC, R88D-KN□-ECT-L 外形尺寸 12

磁轨

R88L-EC, R88D-KN□-ECT-L 外形尺寸 13

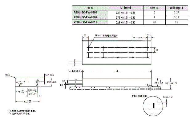
电机线圈单元
R88L-EC-FW-0606/-0609/-0612

R88L-EC, R88D-KN□-ECT-L 外形尺寸 14

磁轨

R88L-EC, R88D-KN□-ECT-L 外形尺寸 15

电机线圈单元
R88L-EC-FW-1112/-1115

R88L-EC, R88D-KN□-ECT-L 外形尺寸 16

磁轨

R88L-EC, R88D-KN□-ECT-L 外形尺寸 17

无铁芯直线电机

电机线圈单元
R88L-EC-GW-0303/-0306/-0309

R88L-EC, R88D-KN□-ECT-L 外形尺寸 19

磁轨

R88L-EC, R88D-KN□-ECT-L 外形尺寸 20

组合图

R88L-EC, R88D-KN□-ECT-L 外形尺寸 21

电机线圈单元
R88L-EC-GW-0503/-0506/-0509

R88L-EC, R88D-KN□-ECT-L 外形尺寸 22

磁轨

R88L-EC, R88D-KN□-ECT-L 外形尺寸 23

组合图

R88L-EC, R88D-KN□-ECT-L 外形尺寸 24

电机线圈单元
R88L-EC-GW-0703/-0706/-0709

R88L-EC, R88D-KN□-ECT-L 外形尺寸 25

磁轨

R88L-EC, R88D-KN□-ECT-L 外形尺寸 26

组合图

R88L-EC, R88D-KN□-ECT-L 外形尺寸 27