Page top

S8EX

开关电源(15/30/50/100/150/240W型)

S8EX

S8EX系列追加机型上市。新增高容量240W型!可在AC200V* 时进行300W 额定输出。 * 在AC170V~264V的范围内

该商品预定于2020年03月生产终止

(单位:mm)

本体

开放类型

S8EX-N015□ (15 W)

S8EX 外形尺寸 3

S8EX-N030□ (30 W)

S8EX 外形尺寸 4

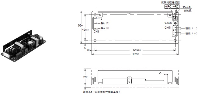
S8EX-BP050□□ (50 W)

S8EX 外形尺寸 5

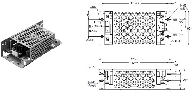
S8EX-□P100□□ (100 W)

S8EX 外形尺寸 6

S8EX-□P150□□ (150 W)

S8EX 外形尺寸 7

S8EX-BP240□(240W)

S8EX 外形尺寸 8

附带底板/罩盖型

S8EX-N015□L□ (15 W)

S8EX 外形尺寸 10

S8EX-N030□L□ (30 W)

S8EX 外形尺寸 11

S8EX-BP050□L□ (50 W)

S8EX 外形尺寸 12

S8EX-[]P100□L□ (100 W)

S8EX 外形尺寸 13

S8EX-□P150□L□ (150 W)

S8EX 外形尺寸 14

S8EX-BP240□L□(240W)

S8EX 外形尺寸 15