Page top

Z

一般用基本开关

Z

以高精度和丰富品种著称畅销的基本型开关

Z-15GW-B7-K已于2023年3月底订货截止。Z系列部分产品、Z-15H2、Z-15H2-B、Z-15H2-B2-K、Z-15H2-B7-K、Z-15H2D-T、Z-15H74-B、Z-15HD-S、Z-15HW52、Z-15HW52-B、Z-15P1-B7-K已于2025年3月底订货截止。Z-15GW46、Z-15GW46-B预定于2025年7月底订货截止。Z-01HK55-MR3E、Z-01HNJ155-M19R3EA-K、Z-15GD55-MRA 2M、Z-15GNJ155-M19DE-105-K、Z-15GNJ155-M19DE-K预定于2026年3月底订货截止。

(单位:mm)

安装

安装时使用M4螺钉,使用平垫圈、弹簧垫圈等牢固安装。此时请使用1.18~1.47N·m的紧固转矩。

Z 外形尺寸 2 Z_Mounting1

安装到面板上时,请用2.94~4.9N·m的紧固转矩拧紧驱动杆的六角螺母。

Z 外形尺寸 3 Z_Mounting2

基本型(一般型)和分割接触型

端子

Z 外形尺寸 6 Z_Terminals

外形尺寸和动作特性

型号、图解、图纸为螺丝端子(-B) 的例子。焊接端子省略了型号末尾的“-A”, 端子的详情请参见上述的“端子的种类” 项目。

针状柱塞型
Z-15G-B
Z-15E-B
Z-15H2-B
Z-01H-B
Z-15H-B
Z-10FY-B

Z 外形尺寸 10 Z-15G-B_Dim

弹簧细柱塞型
Z-15GS-B
Z-01HS-B
Z-15HS-B
Z-10FSY-B

Z 外形尺寸 12 Z-15GS-B_Dim

弹簧短柱塞型
Z-15GD-B
Z-01HD-B
Z-15HD-B
Z-10FDY-B
Z-15ED-B

Z 外形尺寸 14 Z-15GD-B_Dim

面板安装柱塞型
Z-15GQ-B
Z-01HQ-B
Z-15HQ-B
Z-10FQY-B
Z-15EQ-B
Z-15GQ3-B *
Z-15GQ8-B *

Z 外形尺寸 16 Z-15GQ-B_Dim

注1. 同时使用M12安装螺纹和外壳本体安装孔时会向开关施加牵引力,造成外壳和罩盖的破损,所以请避免此动作。
 2. Z-15GQ3-B比Z-15GQ的PT大。
 3. Z-15GQ8-B通过在柱塞部安装螺钉能够调整动作位置。
 4. Z-15GQ8-B柱塞部为M3深10的穿透孔,注意不要让水、螺钉固定剂渗入。

面板安装滚珠柱塞型
Z-15GQ22-B
Z-15EQ22-B
Z-15HQ22-B
Z-10FQ22Y-B

Z 外形尺寸 19 Z-15GQ22-B_Dim

面板安装横向滚珠柱塞型
Z-15GQ21-B
Z-15EQ21-B
Z-15HQ21-B

Z 外形尺寸 21 Z-15GQ21-B_Dim

板簧型
Z-15GL-B

Z 外形尺寸 23 Z15GL-B_Dim

滚珠板簧型
Z-15GL2-B

Z 外形尺寸 25 Z-15GL2-B_Dim

短摆杆型
Z-15GW21-B

Z 外形尺寸 27 Z-15GW21-B_Dim

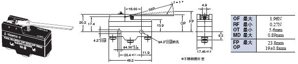
摆杆型
Z-15GW-B
Z-15GW32-B
Z-15HW-B
Z-10FWY-B
Z-15GW3-B (摆杆长度:56R)*

Z 外形尺寸 29 Z-15GW-B_Dim

小型摆杆型r
Z-15GW4-B

Z 外形尺寸 31 Z-15WG4-B_Dim

Z-15HW24-B

Z 外形尺寸 33 Z-15HW24-B_Dim

小型线形摆杆型
Z-15HW52-B
Z-15HW78-B ((摆杆长度:110R) *

Z 外形尺寸 35 Z-15HW52-B_Dim

滚珠短摆杆型
Z-15GW22-B
Z-01HW22-B
Z-15HW22-B
Z-10FW22Y-B
Z-15EW22-B
Z-15GW2-B *
Z-15HW2-B *
Z-10FW2Y-B *

Z 外形尺寸 37 Z-15GW22-B_Dim

横向滚珠短摆杆型
Z-15GW49-B
Z-15GW54-B (摆杆长度 : 48.7R) *

Z 外形尺寸 39 Z-15GW49-B_Dim

滚珠摆杆型
Z-15GW25-B

Z 外形尺寸 41 Z-15GW25-B_Dim

单向动作滚珠短摆杆型
Z-15GW2277-B

Z 外形尺寸 43 Z-15GW2277-B_Dim

反向动作摆杆型 **
Z-15GM-B

Z 外形尺寸 45 Z-15GM-B_Dim

反向动作滚珠短摆杆型 **
Z-15GM22-B
Z-10FM22Y-B

Z 外形尺寸 47 Z-15GM22-B_Dim

反向动作滚珠摆杆型**
Z-15GM2-B

Z 外形尺寸 49 Z-15GM2-B_Dim

** 所谓反向动作,就是通过压缩盘簧使驱动杆摆杆平时处于按下按钮状态,通过摆杆操作,进行反转动作(按钮复位)的类型。自由状态下按钮被按下,因此自由状态时的抗振、抗冲击性佳。

基本型(防滴)无端子保护盖

端子的种类

无防滴端子保护盖

Z 外形尺寸 54 Z_Terminals

注: 反向动作型(Z-15GM型)的NO、NC端子配置相反。

图解、图纸为无防滴端子保护盖时。

外形尺寸和动作特性

针状柱塞型
Z-15G55-B
Z-01H55-B

Z 外形尺寸 59 Z-15G55-B_Dim

弹簧短柱塞型
Z-15GD55-B
Z-01HD55-B

Z 外形尺寸 61 Z-15GD55-B_Dim

弹簧柱塞型
Z-15GK55-B

Z 外形尺寸 63 Z-15GK55-B_Dim

Z-15GK355-B

Z 外形尺寸 65 Z-15GK355-B_Dim

面板安装柱塞型
Z-15GQ55-B

Z 外形尺寸 67 Z-15GQ55-B_Dim

面板安装滚珠柱塞型
Z-15GQ2255-B

Z 外形尺寸 69 Z-15GQ2255_Dim

面板安装横向滚珠柱塞型
Z-15GQ2155-B

Z 外形尺寸 71 Z-15GQ2155-B_Dim

板簧型
Z-15GL55-B

Z 外形尺寸 73 Z-15GL55-B_Dim

滚珠板簧型
Z-15GL255-B

Z 外形尺寸 75 Z-15GL255-B_Dim

短摆杆型
Z-15GW2155-B

Z 外形尺寸 77 Z-15GW2155-B_Dim

长摆杆型
Z-15GW4455-B

Z 外形尺寸 79 Z-15GW4455-B_Dim

摆杆型
Z-15GW55-B

Z 外形尺寸 81 Z-15GW55-B_Dim

滚珠短摆杆型
Z-15GW2255-B
Z-01HW2255-B

Z 外形尺寸 83 Z-15GW2255-B_Dim<br/>

滚珠摆杆型
Z-15GW255-B

Z 外形尺寸 85 Z-15GW255-B_Dim

单向动作滚珠短摆杆型
Z-15GW227755-B

Z 外形尺寸 87 Z-15GW227755-B_Dim

反向动作摆杆型*
Z-15GM55-B

Z 外形尺寸 89 Z-15GM55-B_Dim

反向动作滚珠短摆杆型 *
Z-15GM2255-B

Z 外形尺寸 91 Z-15GM2255-B_Dim

反向动作滚珠摆杆型*
Z-15GM255-B

Z 外形尺寸 93 Z-15GM255-B_Dim

* *所谓反向动作,就是通过压缩盘簧使驱动杆摆杆平时处于按下按钮状态,通过摆杆操作,进行反转动作(按钮复位)的类型。

触须型(盘簧型)
Z-15GNJ55-B

Z 外形尺寸 96 Z-15GNJ55-B_Dim

触须型(钢丝型)
Z-15HNJS55-B

Z 外形尺寸 98 Z-15HNJS55-B_Dim

基本型 (防滴)带端子保护盖

外形尺寸和动作特性

针状柱塞型
Z-15GA55-B5V

Z 外形尺寸 102 Z-15GA55-B5V_Dim

Z-15GK3A55-B5V

Z 外形尺寸 104 Z-15GK3A55-B5V_Dim

面板安装柱塞型
Z-15GQA55-B5V

Z 外形尺寸 106 Z-15GQA55-B5V_Dim

面板安装滚珠柱塞型
Z-15GQ22A55-B5V

Z 外形尺寸 108 Z-15GQ22A55-B5V_Dim

面板安装横向滚珠柱塞型
Z-15GQ21A55-B5V

Z 外形尺寸 110 Z-15GQ21A55-B5V_Dim

长摆杆型
Z-15GW44A55-B5V

Z 外形尺寸 112 Z-15GW44A55-B5V_Dim

摆杆型
Z-15GWA55-B5V

Z 外形尺寸 114 Z-15GWA55-B5V_Dim

滚珠短摆杆型
Z-15GW22A55-B5V

Z 外形尺寸 116 Z-15GW22A55-B5V_Dim

滚珠摆杆型
Z-15GW2A55-B5V

Z 外形尺寸 118 Z-15GW2A55-B5V_Dim

单向动作滚珠短摆杆型
Z-15GW2277A55-B5V

Z 外形尺寸 120 Z-15GW2277A55-B5V_Dim

基本型(防滴)带模拟端子

塑封端子型

L/R 型(下图是R型的场合)

Z 外形尺寸 124 Z-Molded Terminals1

D型

Z 外形尺寸 126 Z-Molded Terminals2

导线规格

Z 外形尺寸 128 Z_Lead Wire Specifications

注1. 塑封端子型未通过UL、CSA、EN规格认证。
 2. 所有机种均不配备塑封型。关于产品的有无,请另外垂询。

维持接触型

外形尺寸和动作特性

针状柱塞型
Z-15ER

Z 外形尺寸 133 Z-15ER_Dim

弹簧细柱塞型
Z-15ESR

Z 外形尺寸 135 Z-15ESR_Dim

摆杆型
Z-15EWR

Z 外形尺寸 137 Z-15EWR_Dim

注: 上述各机型的外形尺寸图中的未注公差为±0.4mm。

附件(另售)

防滴端子保护盖(另售)

Z 外形尺寸 140

端子保护盖

AP-A

Z 外形尺寸 142

注: 罩盖有五个薄的易于撕开的部位,以便轻松连接导线。

AP-B

Z 外形尺寸 143

注: 罩盖有六个薄的易于撕开的部位,以便轻松连接导线。

AP1-A

Z 外形尺寸 144

注: 罩盖有五个孔,以便轻松连接导线。

AP1-B

Z 外形尺寸 145

注: 罩盖有六个孔,以便轻松连接导线。

AP-Z

Z 外形尺寸 146

注: 每个尺寸的公差都为 ±0.4mm,除非另有说明。(±0.8mm,对于AP-Z)

分离器

Z 外形尺寸 147

注. 每个尺寸的公差都为 ±0.4mm,除非另有说明。

驱动杆(另售)

动作特性 注:请注意,各型号只包含驱动杆,而不包含开关部分。

铰链摆杆型
XAA-1

Z 外形尺寸 149

铰链滚珠摆杆型
ZAA-2

Z 外形尺寸 150

面板安装按钮型(短)
ZAQ-3

Z 外形尺寸 151

面板安装按钮型(中)
ZAQ-2

Z 外形尺寸 152

面板安装按钮型(长)
ZAQ-1

Z 外形尺寸 153

面板安装滚珠按钮型
ZAQ-22

Z 外形尺寸 154

注: 上述各机种外形尺寸图中未注公差为±0.4mm。