Page top

R88M-K, R88D-KT

G5系列AC伺服电机/直线电机/伺服驱动器

R88M-K, R88D-KT

给运动控制带来全新变革的伺服系统

(单位:mm)

AC伺服电机

<墙壁安装>

单相AC100V R88D-KTA5L/-KT01L (50~100W)
单相/三相AC200V R88D-KT01H/-KT02H (100~200W)

R88M-K, R88D-KT 外形尺寸 3

单相/三相AC100V R88D-KT02L (200W)
单相/三相AC200V R88D-KT04H (400W)

R88M-K, R88D-KT 外形尺寸 4

单相AC100V R88D-KT04L (400W)
单相/三相AC200V R88D-KT08H (750W)

R88M-K, R88D-KT 外形尺寸 5

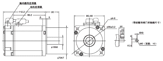
单相/三相AC200V R88D-KT10H/-KT15H (900W~1.5kW)

R88M-K, R88D-KT 外形尺寸 6

三相AC200V R88D-KT20H (2kW)

R88M-K, R88D-KT 外形尺寸 7

三相AC200V R88D-KT30H/-KT50H (3~5kW)

R88M-K, R88D-KT 外形尺寸 8

三相AC200V R88D-KT75H (7.5kW)

R88M-K, R88D-KT 外形尺寸 9

三相AC200V R88D-KT150H (15kW)

R88M-K, R88D-KT 外形尺寸 10

三相AC400V R88D-KT06F/-KT10F/-KT15F (600W~1.5kW)

R88M-K, R88D-KT 外形尺寸 11

三相AC400V R88D-KT20F (2kW)

R88M-K, R88D-KT 外形尺寸 12

三相AC400V R88D-KT30F/-KT50F (3~5kW)

R88M-K, R88D-KT 外形尺寸 13

三相AC400V:R88D-KT75F (7.5kW)

R88M-K, R88D-KT 外形尺寸 14

三相AC400V R88D-KT150F (150kW)

R88M-K, R88D-KT 外形尺寸 15

AC驱动器

注: 标准型轴形状为直轴。型号后带“S2”为带按键和阀门的直轴的型号。
型号后带“O”为带油封的型号。电机尺寸不变。

<圆柱型>

3,000r/min电机(AC100/200V)

50 W/100 W

R88M-K, R88D-KT 外形尺寸 20

不带制动器
R88M-K05030H (-S2)/-K10030□ (-S2)[INC]
R88M-K05030T (-S2)/-K10030□ (-S2)[ABS]

R88M-K, R88D-KT 外形尺寸 21
R88M-K, R88D-KT 外形尺寸 22

带制动器
R88M-K05030H-B (S2)/-K10030□-B (S2)[INC]
R88M-K05030T-B (S2)/-K10030□-B (S2)[ABS]

R88M-K, R88D-KT 外形尺寸 23

200 W/400 W

R88M-K, R88D-KT 外形尺寸 25

不带制动器
R88M-K20030□(-S2)/-K40030□ (-S2)[INC]
R88M-K20030□(-S2)/-K40030□(-S2)[ABS]

R88M-K, R88D-KT 外形尺寸 26
R88M-K, R88D-KT 外形尺寸 27

带制动器
R88M-K20030□-B (S2)/-K40030□-B (S2)[INC]
R88M-K20030□-B (S2)/-K40030□-B (S2)[ABS]

R88M-K, R88D-KT 外形尺寸 28

750 W

不带制动器
R88M-K75030H(-S2) [INC]
R88M-K75030T(-S2) [ABS]

R88M-K, R88D-KT 外形尺寸 30

带制动器
R88M-K75030H-B(S2) [INC]
R88M-K75030T-B(S2) [ABS]

R88M-K, R88D-KT 外形尺寸 31

1 kW/1.5 kW/2 kW

不带制动器
R88M-K1K030H(-S2)/-K1K530H(-S2)/-K2K030H(-S2) [INC]
R88M-K1K030T(-S2)/-K1K530T(-S2)/-K2K030T(-S2) [ABS]

带制动器
R88M-K1K030H-B(S2)/-K1K530H-B(S2)/-K2K030H-B(S2) [INC]
R88M-K1K030T-B(S2)/-K1K530T-B(S2)/-K2K030T-B(S2) [ABS]

R88M-K, R88D-KT 外形尺寸 33
R88M-K, R88D-KT 外形尺寸 34

3 kW

R88M-K, R88D-KT 外形尺寸 36

不带制动器 
R88M-K3K030H(-S2) [INC] 
R88M-K3K030T(-S2) [ABS] 

带制动器 
R88M-K3K030H-B(S2) [INC] 
R88M-K3K030T-B(S2) [ABS]

R88M-K, R88D-KT 外形尺寸 37

4 kW/5 kW

R88M-K, R88D-KT 外形尺寸 39

不带制动器 
R88M-K4K030H(-S2)/-K5K030H(-S2) [INC] 
R88M-K4K030T(-S2)/-K5K030T(-S2) [ABS] 

带制动器 
R88M-K4K030H-B(S2)/-K5K030H-B(S2) [INC] 
R88M-K4K030T-B(S2)/-K5K030T-B(S2) [ABS]

R88M-K, R88D-KT 外形尺寸 40

3,000r/min电机 (AC400V)

750 W/1 kW/1.5 kW/2 kW

不带制动器
R88M-K75030F(-S2)/-K1K030F(-S2)/-K1K530F(-S2)/-K2K030F(-S2) [INC]
R88M-K75030C(-S2)/-K1K030C(-S2)/-K1K530C(-S2)/-K2K030C(-S2) [ABS]

带制动器
R88M-K75030F-B(S2)/-K1K030F-B(S2)/-K1K530F-B(S2)/-K2K030F-B(S2) [INC]
R88M-K75030C-B(S2)/-K1K030C-B(S2)/-K1K530C-B(S2)/-K2K030C-B(S2) [ABS]

R88M-K, R88D-KT 外形尺寸 43
R88M-K, R88D-KT 外形尺寸 44

3 kW

R88M-K, R88D-KT 外形尺寸 46

不带制动器 
R88M-K3K030F(-S2) [INC] 
R88M-K3K030C(-S2) [ABS] 

带制动器 
R88M-K3K030F-B(S2) [INC] 
R88M-K3K030C-B(S2) [ABS]

R88M-K, R88D-KT 外形尺寸 47

4 kW/5 kW

R88M-K, R88D-KT 外形尺寸 49

不带制动器 
R88M-K4K030F(-S2)/-K5K030F(-S2) [INC] 
R88M-K4K030C(-S2)/-K5K030C(-S2) [ABS] 

带制动器 
R88M-K4K030F-B(S2)/-K5K030F-B(S2) [INC] 
R88M-K4K030C-B(S2)/-K5K030C-B(S2) [ABS]

R88M-K, R88D-KT 外形尺寸 50

1,500r/min、2,000r/min电机 (AC200V)

1 kW/1.5 kW/2 kW/3 kW

不带制动器
R88M-K1K020H(-S2)/-K1K520H(-S2)/-K2K020H(-S2)/-K3K020H(-S2) [INC]
R88M-K1K020T(-S2)/-K1K520T(-S2)/-K2K020T(-S2)/-K3K020T(-S2) [ABS]

带制动器
R88M-K1K020H-B(S2)/-K1K520H-B(S2)/-K2K020H-B(S2)/-K3K020H-B(S2) [INC]
R88M-K1K020T-B(S2)/-K1K520T-B(S2)/-K2K020T-B(S2)/-K3K020T-B(S2) [ABS]

R88M-K, R88D-KT 外形尺寸 53
R88M-K, R88D-KT 外形尺寸 54

4 kW/5 kW

R88M-K, R88D-KT 外形尺寸 56

不带制动器 
R88M-K4K020H(-S2)/-K5K020H(-S2) [INC] 
R88M-K4K020T(-S2)/-K5K020T(-S2) [ABS] 

带制动器 
R88M-K4K020H-B(S2)/-K5K020H-B(S2) [INC] 
R88M-K4K020T-B(S2)/-K5K020T-B(S2) [ABS]

R88M-K, R88D-KT 外形尺寸 57

7.5 kW

不带制动器
R88M-K7K515T(-S2) [ABS]

带制动器
R88M-K7K515T-B(S2) [ABS]

R88M-K, R88D-KT 外形尺寸 59
R88M-K, R88D-KT 外形尺寸 60

11 kW/15 kW

不带制动器
R88M-K11K015T(-S2)/-K15K015T(-S2) [ABS]


带制动器
R88M-K11K015T-B(S2)/R88M-K15K015T-B(S2) [ABS]

R88M-K, R88D-KT 外形尺寸 62
R88M-K, R88D-KT 外形尺寸 63

1,500r/min、2,000r/min电机 (AC400V)

400 W/600 W

R88M-K, R88D-KT 外形尺寸 66

不带制动器 
R88M-K40020F(-S2)/-K60020F(-S2) [INC] 
R88M-K40020C(-S2)/-K60020C(-S2) [ABS] 

带制动器 
R88M-K40020F-B(S2)/-K60020F-B(S2) [INC] 
R88M-K40020C-B(S2)/-K60020C-B(S2) [ABS]

R88M-K, R88D-KT 外形尺寸 67

1 kW/1.5 kW/2 kW/3 kW

不带制动器
R88M-K1K020F(-S2)/-K1K520F(-S2)/-K2K020F(-S2)/-K3K020F(-S2) [INC]
R88M-K1K020C(-S2)/-K1K520C(-S2)/-K2K020C(-S2)/-K3K020C(-S2) [ABS]

带制动器
R88M-K1K020F-B(S2)/-K1K520F-B(S2)/-K2K020F-B(S2)/-K3K020F-B(S2) [INC]
R88M-K1K020C-B(S2)/-K1K520C-B(S2)/-K2K020C-B(S2)/-K3K020C-B(S2) [ABS]

R88M-K, R88D-KT 外形尺寸 69
R88M-K, R88D-KT 外形尺寸 70

4 kW/5 kW

R88M-K, R88D-KT 外形尺寸 72

不带制动器 
R88M-K4K020F(-S2)/-K5K020F(-S2) [INC] 
R88M-K4K020C(-S2)/-K5K020C(-S2) [ABS] 

带制动器 
R88M-K4K020F-B(S2)/-K5K020F-B(S2) [INC] 
R88M-K4K020C-B(S2)/-K5K020C-B(S2) [ABS]

R88M-K, R88D-KT 外形尺寸 73

7.5 kW

不带制动器
R88M-K7K515C(-S2) [ABS]


带制动器
R88M-K7K515C-B(S2) [ABS]

R88M-K, R88D-KT 外形尺寸 75
R88M-K, R88D-KT 外形尺寸 76

11 kW/15 kW

不带制动器
R88M-K11K015C(-S2)/-K15K015C(-S2) [ABS]


带制动器
R88M-K11K015C-B(S2)/R88M-K15K015C-B(S2) [ABS]

R88M-K, R88D-KT 外形尺寸 78
R88M-K, R88D-KT 外形尺寸 79

1,000r/min电机 (AC200V)

900 W

R88M-K, R88D-KT 外形尺寸 82

不带制动器 
R88M-K90010H(-S2) [INC] 
R88M-K90010T(-S2) [ABS] 

带制动器 
R88M-K90010H-B(S2) [INC] 
R88M-K90010T-B(S2) [ABS]

R88M-K, R88D-KT 外形尺寸 83

2 kW/3 kW

R88M-K, R88D-KT 外形尺寸 85

不带制动器 
R88M-K2K010H(-S2)/-K3K010H(-S2) [INC] 
R88M-K2K010T(-S2)/-K3K010T(-S2) [ABS] 

带制动器 
R88M-K2K010H-B(S2)/-K3K010H-B(S2) [INC] 
R88M-K2K010T-B(S2)/-K3K010T-B(S2) [ABS]

R88M-K, R88D-KT 外形尺寸 86

4.5 kW

不带制动器
R88M-K4K510T(-S2) [ABS]


带制动器
R88M-K4K510T-B(S2) [ABS]

R88M-K, R88D-KT 外形尺寸 88
R88M-K, R88D-KT 外形尺寸 89

6 kW

不带制动器
R88M-K6K010T(-S2) [ABS]


带制动器
R88M-K6K010T-B(S2) [ABS]

R88M-K, R88D-KT 外形尺寸 91
R88M-K, R88D-KT 外形尺寸 92

1,000r/min电机(AC400V)

900 W

R88M-K, R88D-KT 外形尺寸 95

不带制动器 
R88M-K90010F(-S2) [INC] 
R88M-K90010C(-S2) [ABS] 

带制动器 
R88M-K90010F-B(S2) [INC] 
R88M-K90010C-B(S2) [ABS]

R88M-K, R88D-KT 外形尺寸 96

2 kW/3 kW

R88M-K, R88D-KT 外形尺寸 98

不带制动器 
R88M-K2K010F(-S2)/-K3K010F(-S2) [INC] 
R88M-K2K010C(-S2)/-K3K010C(-S2) [ABS] 

带制动器 
R88M-K2K010F-B(S2)/-K3K010F-B(S2) [INC] 
R88M-K2K010C-B(S2)/-K3K010C-B(S2) [ABS]

R88M-K, R88D-KT 外形尺寸 99

4.5 kW

不带制动器
R88M-K4K510C(-S2) [ABS]


带制动器
R88M-K4K510C-B(S2) [ABS]

R88M-K, R88D-KT 外形尺寸 101
R88M-K, R88D-KT 外形尺寸 102

6 kW

不带制动器
R88M-K6K010C(-S2) [ABS]


带制动器
R88M-K6K010C-B(S2) [ABS]

R88M-K, R88D-KT 外形尺寸 104
R88M-K, R88D-KT 外形尺寸 105