Page top

E4PA-N

超声波位移传感器

E4PA-N

大测量范围、高精度检测

(单位:mm)

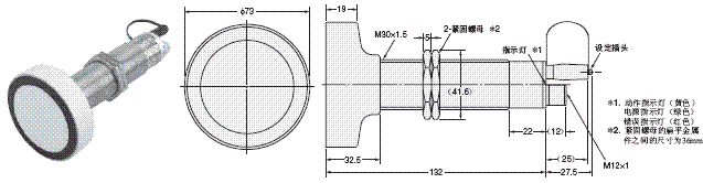
本体

E4PA-LS50-M1-N

E4PA-N 外形尺寸 3

E4PA-LS200-M1-N

E4PA-N 外形尺寸 4

E4PA-LS400-M1-N

E4PA-N 外形尺寸 5

E4PA-LS600-M1-N

E4PA-N 外形尺寸 6

附件(另售)

标准导线(直线型)
XS2F-D521-DG0-A (L=2m)
XS2F-D521-GG0-A (L=5m)

E4PA-N 外形尺寸 8

4线式→5线式转换导线
E4PA-C01

E4PA-N 外形尺寸 9

设定插头
E4PA-P1

E4PA-N 外形尺寸 10