Page top

A22NE-PD / A22NE-P / A22E

紧急停止用按钮开关(φ22/φ25)

A22NE-PD / A22NE-P / A22E

φ22和φ25共用(使用限位圈时)

A22E部分产品预定于2023年3月底订货截止。

(单位:mm)

A22NE-PD Push-In Plus端子台型带锁柄连动接点功能

不带灯型

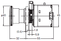
推挽(φ40)保护结构:IP65耐油型
A22NE-MP-PD□□-N

A22NE-PD / A22NE-P / A22E 外形尺寸 3

推挽(φ40)保护结构:IP69K
A22NE-MP-PD□□-N-69K

A22NE-PD / A22NE-P / A22E 外形尺寸 4

小型旋转复位(φ30)保护结构:IP65耐油型
A22NE-S-PD□□-N

A22NE-PD / A22NE-P / A22E 外形尺寸 5

中型旋转复位(φ40)保护结构:IP65耐油型
A22NE-M-PD□□-N

A22NE-PD / A22NE-P / A22E 外形尺寸 6

注. 操作部位更换为A22NE-MR□-N、A22NE-MR□-N-RD时,形状也相同。

大型旋转复位(φ60)保护结构:IP65耐油型
A22NE-L-PD□□-N

A22NE-PD / A22NE-P / A22E 外形尺寸 7

带灯型

中型旋转复位(φ40)保护结构:IP65
A22NE-M-PD□□-C

A22NE-PD / A22NE-P / A22E 外形尺寸 9

注. 未指定部分的尺寸公差为±0.8mm。

附件(另售)

LED灯

A22NZ-L-RC

A22NE-PD / A22NE-P / A22E 外形尺寸 12

注. 关于螺钉端子台型、Push-In Plus端子台型共通的附件,请参考样本的“共通附件和工具(另售) ”。

A22NE-P Push-In Plus端子台型

不带灯型

推挽(φ40)保护结构:IP65
A22NE-MP-P□□2-N

A22NE-PD / A22NE-P / A22E 外形尺寸 15

推挽(φ40)保护结构:IP69K
A22NE-MP-P□□2-N-69K

A22NE-PD / A22NE-P / A22E 外形尺寸 16

小型旋转复位(φ30)保护结构:IP65
A22NE-S-P□□2-N

A22NE-PD / A22NE-P / A22E 外形尺寸 17

中型旋转复位(φ40)保护结构:IP65
A22NE-M-P□□2-N

A22NE-PD / A22NE-P / A22E 外形尺寸 18

注. 操作部位更换为A22NE-MR□-N、A22NE-MR□-N-RD时,形状也相同。

大型旋转复位(φ60)保护结构:IP65
A22NE-L-P□□2-N

A22NE-PD / A22NE-P / A22E 外形尺寸 19

带灯型

中型旋转复位(φ40)保护结构:IP65
A22NE-M-P□□2-□

A22NE-PD / A22NE-P / A22E 外形尺寸 21

注. 未指定部分的尺寸公差为±0.8mm。

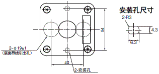
安装2接点开关部时的外形尺寸

A22NE-PD / A22NE-P / A22E 外形尺寸 22

附件(另售)

Push-In Plus端子台

开关部(1接点)

A22NZ-S-P1□N

A22NE-PD / A22NE-P / A22E 外形尺寸 26

开关部(2接点)

A22NZ-S-P2□N

A22NE-PD / A22NE-P / A22E 外形尺寸 28

亮灯部位

A22NZ-T-□PN

A22NE-PD / A22NE-P / A22E 外形尺寸 30

安装台

A22NZ-H-02

A22NE-PD / A22NE-P / A22E 外形尺寸 32

LED灯

A22NZ-L- □□

A22NE-PD / A22NE-P / A22E 外形尺寸 34

控制盒

A22NZ-A-B01Y

A22NE-PD / A22NE-P / A22E 外形尺寸 36

注. 关于螺钉端子台型、Push-In Plus端子台型共通的附件,请参考样本的“共通附件和工具(另售) ”。

A22E 螺钉端子台型

不带灯型

中型按下推挽(φ40) /A22E-MP

A22NE-PD / A22NE-P / A22E 外形尺寸 39

小型旋转复位(φ30) /A22E-S

A22NE-PD / A22NE-P / A22E 外形尺寸 40

中型旋转复位(φ40) /A22E-M

A22NE-PD / A22NE-P / A22E 外形尺寸 41

注. 带EMO、EMS显示型的形状相同。

中型旋转复位(φ60) /A22E-L

A22NE-PD / A22NE-P / A22E 外形尺寸 42

注. 未指定部分的尺寸公差为±0.8mm。

带灯型

中型旋转复位(φ40) /A22EL-M

A22NE-PD / A22NE-P / A22E 外形尺寸 44

2NO (2NC)配备有一体型接点开关部时的开关部尺寸

A22NE-PD / A22NE-P / A22E 外形尺寸 45

注. 操作部位为A22E-M的示例。

注. 未指定部分的尺寸公差为±0.8mm。

附件(另售)

LED灯

A22-6□、12□、24□

A22NE-PD / A22NE-P / A22E 外形尺寸 49

控制盒 

A22Z-B101Y (1孔)

A22NE-PD / A22NE-P / A22E 外形尺寸 51

电缆引出口开孔(顶视图)

A22NE-PD / A22NE-P / A22E 外形尺寸 52

A22Z-B201Y (1孔)

A22NE-PD / A22NE-P / A22E 外形尺寸 53

电缆引出口开孔(顶视图)

A22NE-PD / A22NE-P / A22E 外形尺寸 54

注. 关于螺钉端子台型、Push-In Plus端子台型共通的附件,请参考样本的“共通附件和工具(另售) ”。

共通附件和工具(另售)

螺钉端子台型/Push-In Plus端子台型

面板插头

圆形  A22Z-3530

A22NE-PD / A22NE-P / A22E 外形尺寸 58

φ30用树脂附件

A22Z-A30

A22NE-PD / A22NE-P / A22E 外形尺寸 60

雕刻板

A22Z-3476-1(φ90)

A22NE-PD / A22NE-P / A22E 外形尺寸 62

A22Z-3466-1(φ60)

A22NE-PD / A22NE-P / A22E 外形尺寸 63

A22Z-3466-2(φ60)

A22NE-PD / A22NE-P / A22E 外形尺寸 64

限位圈

A22Z-3360

A22NE-PD / A22NE-P / A22E 外形尺寸 66

材质:铁镀镍

φ25用限位圈

A22Z-R25

A22NE-PD / A22NE-P / A22E 外形尺寸 68

材质:NBR(黑)

紧固扳手

A22Z-3905

A22NE-PD / A22NE-P / A22E 外形尺寸 70

橡胶垫圈

A22Z-R

A22NE-PD / A22NE-P / A22E 外形尺寸 72

共用保护圈

A22Z-EG1、A22Z-EG1-W、A22Z-EG10、A22Z-EG10-W

A22NE-PD / A22NE-P / A22E 外形尺寸 74

保护圈

A22Z-EG2、A22Z-EG21、A22Z-EG22

A22NE-PD / A22NE-P / A22E 外形尺寸 76

A22Z-EG3

A22NE-PD / A22NE-P / A22E 外形尺寸 77