Page top

A22

按钮开关(圆型φ22/25)

A22

可安装在φ22或φ25的面板开孔中(使用适配环时)

A22部分产品已于2023年3月底订货截止。A22Z-30T□系列、A22-H1预定于2026年3月底订货截止。

(单位:mm)

按钮开关(带灯· 不带灯型) (外形尺寸以瞬时动作型为代表进行说明)。

平型/A22-F

A22 外形尺寸 2

半保护罩型/A22-H/A22L-H

A22 外形尺寸 3

凸出型/A22-T/A22L-T

A22 外形尺寸 4

全保护罩型/A22-G/A22L-G

A22 外形尺寸 5

φ40蘑菇型/A22-M

A22 外形尺寸 6

方形/凸出型/A22-C/A22L-C

A22 外形尺寸 7

方形/全保护罩型/A22-D/A22L-D

A22 外形尺寸 8

注:带灯型的带减压单元产品、不带减压单元产品的外形尺寸同上。
* 交替动作型长出9.3mm。

端子配置图(底视图)

A22 外形尺寸 10

端子连接

A22 外形尺寸 11

面板切割

A22 外形尺寸 12

标准装备有止转配件。

对面板进行喷漆等表面处理时, 应该注意指定的面板加工尺寸为处理后的尺寸。
面板厚度应为1~5mm。
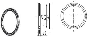
安装到孔径为φ25mm的面板时, 请使用A22Z-R25环。

附件

铭牌单元

标准型A22Z-332□

A22 外形尺寸 16

大型 A22Z-333□

A22 外形尺寸 17

LED A22-6□, 12□, 24□

A22 外形尺寸 19

白炽灯A22-5, 12, 24

A22 外形尺寸 20

止转配件A22Z-3360

A22 外形尺寸 21

φ25止转配件A22Z-R25

A22 外形尺寸 22

彩色盖A22Z-30T□

A22 外形尺寸 23

面板插头(圆形) A22Z-3530

A22 外形尺寸 24

A22 (圆形用) A22Z-3490

A22 外形尺寸 26

M22 (圆形用) A22Z-3495

A22 外形尺寸 27

防水盖

平型用A22Z-3600F

A22 外形尺寸 29

凸出型用A22Z-3600T

A22 外形尺寸 30

全保护罩用A22Z-3600G

A22 外形尺寸 31

金属凸缘

平型/凸出型用A22Z-3580

A22 外形尺寸 33

全保护罩型用 A22Z-3582

A22 外形尺寸 34

雕刻版

标准型用A22Z-3443□-□

A22 外形尺寸 36

大型用A22Z-3453□

A22 外形尺寸 37

紧急停止型用

A22 外形尺寸 38

A22Z-3476-1 (φ90)

A22 外形尺寸 39

A22Z-3466-1 (φ60)

A22 外形尺寸 40

字符薄膜

圆形用A22Z-3460-□

A22 外形尺寸 42

方形用A22Z-3480

A22 外形尺寸 43

取灯泡器A22Z-3901

A22 外形尺寸 44

紧固扳手A22Z-3905

A22 外形尺寸 45

盖紧固工具A22Z-3908

A22 外形尺寸 46

φ30树脂附件A22Z-A30

A22 外形尺寸 47

盖拔取工具A3PJ-5080

A22 外形尺寸 48

锁板A22Z-3380

A22 外形尺寸 49

简易保护罩A22Z-3700

A22 外形尺寸 50

3连基座A22Z-3003

A22 外形尺寸 51

控制盒(封闭型) A22Z-B10□

A22 外形尺寸 52

A22Z-B101 (1孔)
A22Z-B101Y

A22 外形尺寸 53

* A22Z-B101: 灰色
    A22Z-B101Y: 黄色

A22Z-B102 (2孔)

A22 外形尺寸 54

A22Z-B103 (3孔)

A22 外形尺寸 55

(面板安装孔)

A22 外形尺寸 56

控制盒A22Z-B20□

A22Z-B201 (1孔)
A22Z-B201Y

A22 外形尺寸 58

* A22Z-B201: 灰色
    A22Z-B201Y: 黄色

A22Z-B202 (2孔)

A22 外形尺寸 59

A22Z-B203 (3孔)

A22 外形尺寸 60

(面板安装孔)

A22 外形尺寸 61