■固态·继电器(SSR)的定义
●SSR和有接点继电器的不同
所谓SSR, 是固态继电器(Solid State Relay) 的简称, 是无可动 接点部分的继电器(无接点继电器)。在动作上与有接点继电器 相同, 但是该继电器使用半导体闸流管、晶闸管开关元件、二极 管、晶体管等半导体开关元件。另外也使用名为光电耦合器的光 半导体, 使其输入输出绝缘。光电耦合器的特点是用光的信号在 绝缘空间中进行传送, 所以绝缘性更好, 传送速度也更快。
SSR是用无接点的电子零件制造的, 比有接点的有很多优点。其 中最大的优点是, 不会像有接点继电器一样因开关而损耗接点。
特别是:
●可以对应高速、高频率开关 ●没有接触不良 ●发生干扰小 ●没有动作音 等, 适用于广泛的领域。
固态继电器(SSR)的构成

固态继电器(SSR) (交流负载开关的代表示例)

电磁继电器(EMR:Electro Magnetic Relay)
向线圈施加输入电压, 使其发生电磁力, 移动可动铁片, 从而切 换接点。不仅可在控制柜上使用, 还可用于其他范围。而且原理 简单可低成本加工。

●SSR的控制(ON/OFF控制、循环控制、相位控制)
ON/OFF控制接受温控器的电压输出信号, 通过开关SSR来控制加 热器的ON/OFF。在电磁继电器中也可进行相同的控制, 但是以数秒间隔控制ON/OFF, 使用数年时需要SSR。
循环控制(G32A-EA) 以0.2秒(固定) 为控制周期。其方式 是使其在0.2秒内ON/OFF, 从而控制输出电力。
接受温控器的电流输出4~20mA来控制。
循环控制中的注意点
进行循环控制时, 每秒钟接通电源5次(控制周期为 0.2S)。
由于变压器负载中的接通电流非常大(通常电流的10倍左 右)
(1)SSR的额定没有余量导致SSR的破坏。
(2)负载电路上的断路器发生触发。
可能出现以上情况。因此, 循环控制中不能进行变压器一 次侧的电力控制。
相位控制接受温控器的电流输出4~20mA的信号, 使输出量每半 循环发生变化。可进行高精度的温度控制, 多用于半导体制造装 置中。

●MOS FET继电器的构成和动作原理
MOS FET继电器是在输出元件中使用功率MOS FET的SSR。为使 功率MOS FET动作, 光电二极管阵列作为受光元件使用。输入端 子中有电流流过时, LED会发光。这个光使光电二极管阵列中发 生光电流, 这使栅极电压使功率MOS FET置于ON。用源共通连 接2个功率MOS FET, 可控制AC负载。DC专用的类型中有带1个 电源 MOS FET的类型。

信号用MOS FET继电器G3VM不含变阻器。
●MOS FET继电器的名称
该商品为新型商品, 在各个公司有各种名称、商标。下表表示信 号用(相当于G3VM) 的示例。
| 厂商名 |
样本上的名称 |
| 东芝 |
光继电器 |
| 松下电工 |
Photo MOS继电器 |
| 日本电气 |
光MOSFET继电器 |
| 冲电气 |
光MOS开关 |
| 冲田制作所 |
Photo DMOS-FET继电器 |
| HP |
Solid State Relay |
| 欧姆龙 |
MOS FET继电器 |
■SSR的内部电路构成例
|
*1. 过零触发功能
具有过零触发功能的SSR在交流负载电压为零或接 近零时动作。
具有过零触发功能的SSR有以下效果。
·减小负载接通时的爆裂噪声。
·在灯、加热器、马达等的负载中由于抑制了接通 电流,可以减轻对电源的影响,还可以减小接通 电流保护电路。
*2. 200V型的输出开关元件上使用了晶闸管。
|
 |
固态继电器 用语说明

■SSR用语集
|
固态继电器
|
用语说明
|
| 电路功能 |
光电耦合器
光电三端双向开关耦合器 |
传送输入信号的同时使输入和输出绝缘。 |
过零触发电路
(参照144页) |
在交流负载电压的零相位附近开始动作的电路。 |
| 触发电路 |
控制开关负载电流的晶闸管开关的触发信号的电路。 |
| 缓冲电路 |
由R、C构成,抑制施加到晶闸管开关等上的急剧启动电压,防止SSR晶闸管开关误启动的电路。 |
| 输入 |
额定电压 |
输入信号的标准电压。 |
| 使用电压 |
输入信号的容许电压范围。 |
| 输入阻抗 |
输入电路、限制电阻的阻抗。恒电流输入电路方式随输入电压发生变动。 |
| 动作电压 |
从输出断开状态到接通状态时的输入电压的最小值。 |
| 复位电压 |
从输出断开状态到接通状态时的输入电压的最大值。 |
| 输入电流 |
施加额定电压时流过的电流值。 |
| 输出 |
负载电压 |
可以在负载开关及连续断开状态下使用的电源电压的有效值。 |
| 最大负载电流 |
在指定的冷却条件(散热片的大小、材质、厚度、环境温度散热条件等)下可以连续流经输出端子的最大电流的有效值。 |
| 漏电流 |
输出处于断开状态,施加指定负载电压时流经输出端子之间的电流。 |
| 输出ON电压下降 |
在指定的冷却条件(散热片的大小、材质、厚度、环境温度散热条件等)下通过最大负荷电流时出现在输出端子之间的电
压的有效值。 |
| 最小负载电流 |
SSR可以正常开关负载的最小负载电流。 |
| 性能 |
动作时间 |
向输入施加规定的信号电压后,直到输出接通的延迟时间。 |
| 复位时间 |
切断施加到输入上的信号电压后,直到输出断开为止的延迟时间。 |
| 绝缘电阻 |
在输入端子-输出端子之间以及输入输出端子-金属外壳(散热片)之间施加直流电压时的电阻。 |
| 耐压 |
输入端子-输出端子之间以及输入输出端子-金属外壳(散热片)之间可以忍耐1分钟以上的交流电压的有效值。 |
| 使用环境温度、湿度 |
在规定的冷却、输入输出电流条件下SSR可以正常动作使用的环境温度、湿度范围。 |
| 保存温度 |
不施加电压,可以放置保存的温度范围。 |
| 其他 |
接通电流耐量 * |
SSR的可流动非反复的电流最大值。表示商用频率、1周期的波高值。 |
| 反向电压 |
负载开关时、切断时产生的非常急剧的电压。 |
| 泄放电阻 |
为了正常开关极小负载而用于增加视在负载电流,与负载并联的电阻。 |
*以往是以「投入电流耐量」 来表现的, 但这与负载的浪涌电流容易混淆, 因此改为「接通浪涌电流耐量」 。
固态继电器 使用注意事项

■使用SSR前
①实际使用SSR时,有时会发生预想不到的事故。为此,必须尽可 能地进行测试。例如,考虑SSR特性时,经常必须考虑到各产品 的差异。
②有关目录中记载的各额定性能值,如果没有特别指明,则所有值 都是在JIS C5442标准试验状态(温度15~30℃、相对湿度25~ 85%RH、气压86~106kPa)下的值。确认实际设备时,除了负 载条件以外,还必须在和实际使用状态相同的条件下确认使用 环境。
■关于输入电路
●关于输入侧的接线
SSR的输入阻抗有一定参差, 应避免若干个输入的串联连接, 否 则容易造成误动作。
●关于输入噪声
SSR 动作时间及动作所需的功率极小, 因此必须控制影响到 INPUT端子的噪声。如果噪声施加到端子, 会引起误动作。 以下是针对脉冲性噪声和感应性噪声的对策举例。
①脉冲性噪声
利用C、R吸收噪声非常有效。下图是针对光电耦合器方式的 SSR选择C、R的实例。

为满足SSR的输入电压, 在R和电源电压E的关系上确定R的上 限。
C变大时,由于C的放电复位时间将变长。
请注意上述2点,确定C、R。

②感应噪声
请不要将输入线路和动力线并排设置。感应噪声可能导致SSR 误动作。当感应噪声在SSR的输入端子处感生电压时,必须通过 绞合线(电磁感应)、屏蔽线(静电感应)将影响SSR输入端 子的感应噪声引起的感应电压控制在SSR的复位电压以下。
此外,对高频设备发出的噪声,请附加C、R滤波器。

●关于输入条件
①关于输入电压的纹波
输入电压中有纹波的场合, 请将峰值电压设定在使用电压的最 大值以下, 谷值电压设定在使用电压最小值以上后使用。

②漏电流对策
通过晶体管输出驱动SSR的场合, 有时会由于断开时晶体管的 漏电流导致复位不良。作为对策, 请如下图所示, 连接泄放电 阻R, 设置加在泄放电阻R两端的电压E在SSR复位电压的1/2以 下。

利用下列公式计算泄放电阻R。
R≤ E/(IL-I)
E : 加在泄放电阻R两端的电压=SSR复位电压的1/2
IL : 晶体管的漏电流
I : SSR的复位电流
目录中没有记载SSR复位电流值, 因此要按以下公式计算。
SSR的复位电流=复位电压的最小值/输入阻抗
恒定电流输入电路的SSR(G3NA、G3PA、G3PB等)以0.1mA 计算。
下面以G3M-202P DC24为例进行计算。
复位电流 I=1V/1.6kΩ =0.625mA
泄放电阻值 R= (1V×1/2)/(IL-0.625mA)
③开关频率
如果是交流负载开关, 请将开关频率控制在10Hz下使用, 如果 是直流负载开关, 请将开关频率控制在100Hz以下使用。
如果超出上述开关频率使用, 则可能导致SSR的输出跟不上。
④输入阻抗
在输入电压有一定宽度的SSR (如G3F、G3H) 中, 有些机种 的输入阻抗会随着输入电压发生变化, 输入电流也随之发生变 化。用半导体等驱动SSR的场合, 电压会导致半导体故障, 请 对设备进行确认后使用。
下面是代表例。

■关于输出电路
●关于交流开关型SSR输出处的噪声、浪涌
·SSR 使用的交流电源中叠加有能量较大的浪涌电压的场合, 由 于插入SSR的LOAD端子之间的C、R缓冲电路(内置在SSR 中) 的抑制能力不足, 会超出SSR瞬态峰值电压, 导致SSR的 过电压破坏。
要测定浪涌在很多情况下都是比较困难的, 基本上都是采用增 加变阻器。最终使用阶段可确认没有浪涌的场合除外。
·G3NA、G3S、G3PA、G3PB、G3PC、G3NE、G3J、G3NH、 G9H、G3DZ、G3RZ、G3FM以外的机种中没有内置浪涌吸收 用可变电阻。请务必在开关感性负载时实施附加浪涌吸收元件 等浪涌对策。
·下面是附加了浪涌电压吸收元件时的对策举例。
本公司是在以下条件下通过耐冲击电压试验, 来确认SSR输出 侧耐量的。

|
使用电压
|
可变电阻电压
|
浪涌耐量
|
| AC100~120V用 |
240~270V |
1000A以上 |
| AC200~240V用 |
440~470V |
| AC380~480V用 |
820~1000V |
●关于输出侧的连接
请避免SSR输出侧的并联。SSR的场合, 不可能出现输出侧两头 都为ON的情况, 因此负载电流不会增加。
●关于直流开关型SSR的输出处的噪声·浪涌
连接螺线管、电磁阀等负载时, 请连接防止反电动势的二极管。 施加超出SSR输出元件耐压的反电动势时, 会导致SSR输出元件 的破坏。作为相应措施,可以将表1的元件和负载并联插入。(参 照下图)

吸收元件中, 二极管方式是抑制反电动势效果最好的。但螺线 管、电磁阀的复位时间会变长。请在实际使用电路上确认后使 用。另外, 可以使用二极管和齐纳二极管缩短复位时间。在这种 情况下, 齐纳二极管的齐纳电压(Vz) 越高复位时间越短。
表1 吸收元件例

(参考)
①二极管的选择方法
耐电压=VRM≥电源电压×2
正向电流=IF≥负载电流
②齐纳二极管的选择方法
齐纳电压=VZ<SSR的集电极发射极之间电压
- (电源电压+2V)
齐纳浪涌功率=PRSM>VZ×负载电流×安全率(2~3)
*如果齐纳电压(Vz) 增高, 则齐纳二极管的容量(PRSM) 将变大。
●关于DC输出型中的AND电路
在以下电路中,请使用G3DZ、G3RZ。在一般情况下, SSR也可 能出现复位不良。

●关于自保持电路
要使用自保持电路时, 请利用有接点继电器构成电路。
(SSR中不能组成自保持电路)。
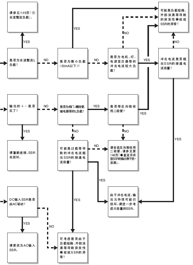
●关于各负载的SSR的选择
下面显示各负载中浪涌电流的实例。

①加热器(阻性负载)
没有浪涌电流的负载。一般和电压输出的温度控制器组合用于 开关加热器。还可以使用带过零触发功能的SSR, 大幅抑制噪 声的产生。
但是, 该种负载不包括纯金属类、陶瓷类的加热器。纯金属 类、陶瓷类的加热器在常温下电阻值较低, 因此SSR中流过过 载电流, 可能导致SSR破坏。
开关纯金属类、陶瓷类的加热器时, 请选择电力调整器 (G3PX) 的长时间软启动类型或恒定电流类型。

②灯负载
白炽灯、卤素灯等接通电流很大。(额定电流的约10~15倍) 请选择SSR, 使得该接通电流的峰值在SSR接通电流耐量的1/2 以下。(参照下图的重复曲线<虚线>)
重复施加超出接通电流耐量1/2的接通电流, 会导致SSR输出元 件的电流破坏。

③马达负载
马达启动时,会有相当于额定电流5~10倍的接通电流流过。另 外, 接通电流流通的时间也会变长。因此, 测定实际使用状态 下的接通电流及启动时间后, 选择SSR使得接通电流的峰值在 SSR接通电流耐量1/2以下。SSR关闭时由于马达发出的反电动 势可能会导致SSR的破坏, 请实行过电压保护。
④变压器负载
SSR关闭瞬间, 10~500ms之内会有10~20倍的励磁电流流过 SSR。如果次级无负载, 励磁电流最大。请选择SSR使得该励 磁电流在SSR接通电流耐量1/2以下。
⑤半波整流电路
有些交流用电磁计数器及螺线管内置有二极管, 半波整流。该 负载中只加有SSR的输出电压的半波。为此, 在带过零触发功 能的SSR中, 可能导致无法关闭。对此, 可以采取以下两种方 法解决。
1. 连接流过SSR负载电流约20%的电流的泄放电阻。

2. 使用无过零触发功能的SSR。 但半波整流的制动器线圈的开关则不受此限制, 请另行商谈。
⑥全波整流负载
有些交流用电磁计数器及螺线管内置有二极管, 全波整流。这 种负载中的负载电流会如下图所示, 变为接近于矩形波的波 形。

因此, 交流用SSR在输出元件中使用晶闸管开关(电路电流不 为0, 元件不断开) , 如果负载电流波形为矩形波, 可能导致 SSR复位不良。
开关全波整流的负载时, 请选择-V型或功率MOSFET继电器。
(-V型SSR)
(-V型SSR) G3F-203SL-V、G3H-203SL-V
(功率MOS FET继电器) G3DZ、G3RZ、G3FM
⑦小容量负载
SSR中没有输入信号时, 输出(LOAD) 处会流过数mA的漏 电流IL。为此, 如果该漏电流大于负载的复位电流, 会引起复 位不良。请增加SSR开关电流的泄放电阻R和负载并联,以解决 问题。

⑧变频器负载
请不要将变频器控制的电源作为SSR的负载电源使用。变频器 控制的波形会变为矩形波, 因此dV/dt非常大, 会引起SSR误启 动, 导致复位不良。
在输入处使用变频器控制的电源的场合, 只要电源的有效值在 SSR的使用电压范围内, 就可以使用。

⑨电容性负载
SSR关闭时, 电源电压+电容器的电荷电势施加到SSR的两端, 因此请选择SSR使得可使用电压在电源电压的2倍以上, 同时使 得充电电流在SSR接通电流耐量1/2以下。
■关于使用负载电源
1. 关于整流的电源
通过全波整流或半波整流将交流电源作为直流负载电源使用时, 请设定负载电源的峰值电源不超出SSR使用负载电源的最大值。 在这样的情况下, 会变成过电压, 导致SSR输出元件破坏。

2. 关于交流负载电源的使用频率
关于交流负载电源的使用频率, 请控制在47~63Hz。
3. 关于交流低电压负载
在SSR的使用负载电压范围的最小值以下使用负载电源时, 施加 到负载上的电压的损失时间比在SSR使用电压范围内使用负载电 源时的时间长。
下图是负载例。(损失时间A
固态继电器·故障检查



固体电路·继电器 Q&A

Q1:
欲检查SSR的故障,是否可以用测试器确认SSR的导通?
A1:
不能确认导通。
测试器的导通检查中, 由于测试器的内部电路电压、 电流较低,无法确认SSR内部所使用的半导体元件(三 端双向可控硅开关、晶闸管) 的动作。
另外, 如下述方法所示, 连接负载后, 即可进行故障 检查。
●测定方法
负载和电源连接的状态下, 将输入置于ON· OFF时测定LOAD端 子的电压。
SSR置于OFF时可以输出接近电源电压值的电压、置于ON时可以 输出1V左右的电压。
另外,若使用100W左右的灯泡作为模拟负载,即可较为容易地确 认动作。 (但是, 请使用容量在SSR的额定范围内的灯泡)

Q2:
请教有关功率 MOS FET继电器的用途例。
A2:
(1) 不清楚连接继电器的负载是交流还是直流的用途 (使用例) 机器人控制器的警报输出
(2) 内部进行过全波整流的电磁阀等的负载, 通过高 频率开闭, 频繁更换继电器(例: G2R) 的用途 与继电器相比,为延长其寿命, 更换频率越少越好。
G3RZ和G2R-1A-S的端子兼容, 故可更换。
注. 请注意输入电压、极性及输出的容量。
(3) DC高电压的负载用途
为将DC100V1A电阻负载通过继电器进行开闭,必 须配备相当于MM2XP的继电器。
但是,功率 MOS FET继电器G3RZ可以用这一尺寸 进行开闭。
(4) 采用泄流电阻、使用SSR的用途
对于功率 MOS FET, 由于其漏电流10 · A较微 小, 因此无需泄流电阻。
Q3:
请教有关晶闸管和三端双向可控硅开关的不同点。
A3:
在电阻负载方面是相同的
但在感应负载中, 晶闸管的反并联更为有利。
SSR中的开关元件若使用三端双向可控硅开关时,则会 有使用晶闸管的反并联连接的情况。

在急剧上升、下降时元件可否跟踪的特性方面, 晶闸 管和三端双向可控硅开关存在不同点。
这一特性以dv/dtμ (单位V/μs) 表示。这一值为晶闸 管>三端双向可控硅开关。
在3.7kW级的电机中, 即使是感应负载, 也可以用三端 双向可控硅开关进行充分开闭。以三端双向可控硅开 关1个元件与晶闸管的反并联具有同等的功能, 所以对 SSR的小型化也做出了贡献。

| |
电阻负载
|
感应负载
|
|
40A以下
|
超过40A
|
3.7kW以下
|
3超过.7kW
|
三端双向
可控硅开关 |
○ |
○ |
○ |
△ |
| 晶闸管×2 |
○ |
○ |
○ |
○ |
Q4:
SSR的输出侧是否可以串联连接?
A4:
可串联连接。
主要用于短路模式故障的补偿。
另外,浪涌电压分担各自的SSR,对过电压进行分压, 减轻了SSR的负担。
但是, 进行串联连接时, 无法提高使用电压。
由于动作时间、复位时间的差,开闭时不能分担负载电 压。

Q5:
直流负载用SSR的浪涌吸收电路 怎么样会比较好?
A5:
关于直流负载开闭型SSR的输出侧干扰、浪涌对策。
连接螺线管、电磁阀等的L负载时,请连接避免产生反 向电压的二极管。
施加超出SSR输出元件耐电压的反向电压时,会导致SSR 的输出元件损坏。
作为对策, 请将表1的元件与负载并联接入。

吸收元件中, 二极管方式抑制反向电压的效果最佳。 但是螺线管、电磁阀的复位时间较长。实际使用电路 时请先确认后再使用。
另外,作为缩短复位时间的对策,可以使用二极管和稳 压二极管。此时, 稳压二极管的稳压电压(Vz) 越 高, 其复位时间就越短。

参考
① 二极管的选择方法
耐电压=VRM≧电源电压×2
顺电流=IF≧负载电流
② 稳压二极管的选择方法
稳压电压=Vz< (SSR的集电极-发射极间电压) — (电源电压+2V)
稳压· 浪涌电力=PRSM>Vz×负载电流×安全率(2-3)
注. 若稳压电压(Vz) 较高, 则稳压二极管的容量(PRSM) 也将变大。
固态继电器 施工·保养·检查

■故障安全防护方法
1. 关于故障模式
必须进行高频率开闭、高速开闭时, SSR是最佳的继电器, 但 是, 若使用条件、操作错误, 可能会导致元件破坏等问题。
SSR是由半导体元件构成的继电器, 浪涌电压、过电流等会导致 元件破损等故障。此时, 元件的故障模式基本上是短路故障, 会 导致负载不能切断。
因此, 在使用了SSR的控制电路中, 考虑故障安全防护方法时, 不是仅通过SSR切断负载电源的电路, 请通过设置于负载电源侧 的接点、断路器, 设为在SSR异常时切断负载的电路。
例如, AC电机作为负载的电路中, SSR发生半波故障时, 变为 DC励磁的过电流流向电机, 电机可能会烧坏。这种情况下, 请 通过断路器, 切断通向电机的电流电路。
|
部位
|
原因
|
结果
|
| 输入部 |
施加过电压 |
输入元件损坏 |
| 输出部 |
施加过电压 |
输出元件损坏 |
| 过电流通电 |
| 全体 |
环境温度超出规定值 |
输出元件损坏 |
| 散热状态较差 |
2. 关于过电流保护
SSR的负载(LOAD) 侧流入短路电流或过电流时, 会损坏SSR 的输出元件。
作为短路保护的对策例, 请添加与负载串联的速断保险丝。
作为速断保险丝的保护协调条件, SSR的浪涌容量(Is)、速断 保险丝的限流特性(If) 、负载的冲击电流(IL) 均需设计为 满足如下图所示关系的电路。

|
类型
|
推荐保险丝型号
|
厂商
|
| 5A型 |
60PFF5U |
株式会社京三制作所 |
| 10A型 |
60PFF10U |
| CR2LS-10 |
富士电机株式会社 |
| BLC012-1 |
| 15A型 |
60PFF15U |
株式会社京三制作所 |
| 20A型 |
60PFF20U |
| 25A型 |
60PFF25U |
| 30A型 |
60PFF30U |
| 40A型 |
25SHA40
25LKA40B |
| 50A型 |
25SHA50
25LKA50B |
| 60A型 |
25LKA60B |
| 75A型 |
25LKA75B |
| 100A型 |
25LKB100B |
| 150A型 |
25LKB150B |
注. 上述保险丝可保护SSR 不受意外事故引起的短路电流的影响。
对于过电流保护, 请根据每台使用设备选择合适的NF断路器等的保护对策。
3. 关于动作显示灯
如下图所示, 动作显示灯所显示的是输入电路的通电, 并不显示 输出元件的接通。

4. 关于SSR的耐久性
SSR没有机械磨损。
因此, SSR的耐久性以所使用的内置零件的故障率表示。例 如, G3M-202P时, 内置零件的故障率为321Fit (1Fit=10-9=λ (故障/时间))。
根据这一值计算出的MTTF如下所示。
MTTF=321/λ60=3.12×106 (时间)
关于SSR的耐久性锡焊、热应力, 也必须考虑其综合耐久性。
也有可能因热应力导致锡焊老化等各种问题。
本公司已在下述条件的加热器循环试验中进行了可靠性评价。
条件: -30~+100℃、200循环
■应用电路图
1. 与传感器的连接
SSR可直接连接接近开关、光电开关等传感器。

2. 白炽灯的闪烁控制

3.电气炉的温度控制

4. 单相感应电动机的正反运转

注1. SR1、SSR2其中一个为断开侧SSR的LOAD端子间电压, 由于通过 LC结合, 电压约为电源电压的2倍,
请务必使用具备电源电压2倍以上的输出额定电压的SSR
(例) 电源电压交流100V的单相感应电动机的正反运转, 应使用有 交流200V以上输出电压的SSR
注2. 切换SW1和SW2时, 请务必确保有30ms以上的时滞。
5. 三相感应电动机的接通、断开控制

6. 三相电机的正反运转
SSR三相电机正反运转时, 请注意SSR的输入信号。如右上图所 示, 同时切换SW1和SW2时, 负载侧发生相间短路, 会损坏SSR 的输出元件。这是由于即使没有至SSR输入端子的输入信号, 输 出元件(三端双向可控硅开关) 仍处于导通状态, 直至负载电流 为0。因此, 切换SW1和SW2时, 请务必设定30ms以上的时滞。
另外, 由于至SSR输入电路的干扰等导致的SSR误动作, 也会导 致相间短路、SSR损坏。作为此时的对策例, 在电路中接入防止 产生短路事故的保护电阻R。对于保护电阻R, 请根据SSR的浪涌 接通电流容量确定。例如, G3NA-220B的浪涌接通电流容量为 220Apeak, 因此为R>220V×√2/220A=1.4Ω。另外, 考虑到电 路电流、通电时间等, 请插到消耗功率较小的一侧。
另外, 对于电阻的功率, 请根据P=I2R×安全率进行计算。
(I=负载电流、R=保护电阻、安全率3~5)

7. 变压器负载的冲击电流
变压器负载时的冲击电流,在电抗不运作的2次侧开放状态下为最 大。另外, 由于其最大电流是电源频率的1/2周, 若不用示波器 将很难进行测定。为此, 应测定变压器一次侧的直流电阻, 据此 预测冲击电流。(实际上, 由于固有电抗运作, 其结果比该计算 值还少)。
I peak=V peak/R=(√2×V)/R
假设在负载电源电压220V 使用一次侧的直流电阻3 欧姆的变压 器, 则此时的冲击电流为, I peak=(1.414×220)/3=103.7A
本公司规定SSR的浪涌接通电流容量为非反复(1天1-2次), 请 选择能反复使用具备该I peak的2倍的浪涌接通电流容量的SSR。 此时, 请选择具备207.4A以上浪涌接通电流容量、G3□□-220□ 以上的SSR。
另外, 若对此进行逆运算, 即可算出满足SSR的变压器一次侧的 直流电阻值。
R=V peak/I peak=(√2×V)/I peak
有关变压器一次侧的直流电阻值适用SSR的一览表, 请参考附 件。
另外,该一览表表示「满足冲击电流的SSR」,还必须结合「变 压器的稳定电流满足各SSR的额定电流」。
〈SSR的额定电流〉
G3□□-240□
下划线2位的数字显示稳定电流。(此时为40A)
仅G3NH时 : G3NH-□075B=75A、
G3NH-□150B=150A
条件1 : SSR的环境温度(=柜内温度) 应在各SSR 的额定温度以内。
条件2 : 应为安装正规散热器的状态。
负载电源电压100V时
|
变压器一
次侧的直
流电阻(Ω)
|
冲击电流
(A)
|
SSR的浪
涌接通电
流容量(A)
|
适用SSR
|
|
G3P□
|
G3NA
|
G3NE
|
G3NH
|
| 4.8以上 |
30 |
60 |
—— |
-205□ |
-205□ |
—— |
| 1.9~4.7 |
75 |
150 |
-210□
-215□ |
-210□ |
-210□ |
—— |
| 1.3~1.8 |
110 |
220 |
-220□
-225□ |
-220□ |
-220□ |
—— |
| 0.65~1.2 |
220 |
440 |
-235□
-240□
-245□
-260□ |
-240□ |
—— |
—— |
| 0.36~0.64 |
400 |
800 |
—— |
—— |
—— |
-2075□ |
| 0.16~0.35 |
900 |
1,800 |
—— |
—— |
—— |
-2150□ |
负载电源电压110V时
|
变压器一
次侧的直
流电阻(Ω)
|
冲击电流
(A)
|
SSR的浪
涌接通电
流容量(A)
|
适用SSR
|
|
G3P□
|
G3NA
|
G3NE
|
G3NH
|
| 5.2以上 |
30 |
60 |
—— |
-205□ |
-205□ |
—— |
| 2.1~5.1 |
75 |
150 |
-210□
-215□ |
-210□ |
-210□ |
—— |
| 1.5~2.0 |
110 |
220 |
-220□
-225□ |
-220□ |
-220□ |
—— |
| 0.71~1.4 |
220 |
440 |
-235□
-240□
-245□
-260□ |
-240□ |
—— |
—— |
| 0.39~0.70 |
400 |
800 |
—— |
—— |
—— |
-2075□ |
| 0.18~0.38 |
900 |
1,800 |
—— |
—— |
—— |
-2150□ |
负载电源电压120V时
|
变压器一
次侧的直
流电阻(Ω)
|
冲击电流
(A)
|
SSR的浪
涌接通电
流容量(A)
|
适用SSR
|
|
G3P□
|
G3NA
|
G3NE
|
G3NH
|
| 5.7以上 |
30 |
60 |
—— |
-205□ |
-205□ |
—— |
| 2.3~5.6 |
75 |
150 |
-210□
-215□ |
-210□ |
-210□ |
—— |
| 1.6~2.2 |
110 |
220 |
-220□
-225□ |
-220□ |
-220□ |
—— |
| 0.78~1.5 |
220 |
440 |
-235□
-240□
-245□
-260□ |
-240□ |
—— |
—— |
| 0.43~0.77 |
400 |
800 |
—— |
—— |
—— |
-2075□ |
| 0.19~0.42 |
900 |
1,800 |
—— |
—— |
—— |
-2150□ |
负载电源电压200V时
|
变压器一
次侧的直
流电阻(Ω)
|
冲击电流
(A)
|
SSR的浪
涌接通电
流容量(A)
|
适用SSR
|
|
G3P□
|
G3NA
|
G3NE
|
G3NH
|
| 9.5以上 |
30 |
60 |
—— |
-205□ |
-205□ |
—— |
| 3.8~9.4 |
75 |
150 |
-210□
-215□ |
-210□ |
-210□ |
—— |
| 2.6~3.7 |
110 |
220 |
-220□
-225□ |
-220□ |
-220□ |
—— |
| 1.3~2.5 |
220 |
440 |
-235□
-240□
-245□
-260□ |
-240□ |
—— |
—— |
| 0.71~1.2 |
400 |
800 |
—— |
—— |
—— |
-2075□ |
| 0.32~0.70 |
900 |
1,800 |
—— |
—— |
—— |
-2150□ |
负载电源电压220V时
|
变压器一
次侧的直
流电阻(Ω)
|
冲击电流
(A)
|
SSR的浪
涌接通电
流容量(A)
|
适用SSR
|
|
G3P□
|
G3NA
|
G3NE
|
G3NH
|
| 10.4以上 |
30 |
60 |
—— |
-205□ |
-205□ |
—— |
| 4.2~10.3 |
75 |
150 |
-210□
-215□ |
-210□ |
-210□ |
—— |
| 2.9~4.1 |
110 |
220 |
-220□
-225□ |
-220□ |
-220□ |
—— |
| 1.5~2.8 |
220 |
440 |
-235□
-240□
-245□
-260□ |
-240□ |
—— |
—— |
| 0.78~1.4 |
400 |
800 |
—— |
—— |
—— |
-2075□ |
| 0.35~0.77 |
900 |
1,800 |
—— |
—— |
—— |
-2150□ |
负载电源电压240V时
|
变压器一
次侧的直
流电阻(Ω)
|
冲击电流
(A)
|
SSR的浪
涌接通电
流容量(A)
|
适用SSR
|
|
G3P□
|
G3NA
|
G3NE
|
G3NH
|
| 11.4以上 |
30 |
60 |
—— |
-205□ |
-205□ |
—— |
| 4.6~11.3 |
75 |
150 |
-210□
-215□ |
-210□ |
-210□ |
—— |
| 3.1~4.5 |
110 |
220 |
-220□
-225□ |
-220□ |
-220□ |
—— |
| 1.6~3.0 |
220 |
440 |
-235□
-240□
-245□
-260□ |
-240□ |
—— |
—— |
| 0.85~1.5 |
400 |
800 |
—— |
—— |
—— |
-2075□ |
| 0.38~0.84 |
900 |
1,800 |
—— |
—— |
—— |
-2150□ |
负载电源电压400V时
|
变压器一
次侧的直
流电阻(Ω)
|
冲击电流
(A)
|
SSR的浪
涌接通电
流容量(A)
|
适用SSR
|
|
G3P□
|
G3NA
|
G3NE
|
G3NH
|
| 7.6以上 |
75 |
150 |
—— |
-410□ |
—— |
—— |
| 5.2~7.5 |
110 |
220 |
-420□
-430□ |
-420□ |
—— |
—— |
| 2.6~5.1 |
220 |
440 |
-435□
-445□ |
—— |
—— |
—— |
| 1.5~2.5 |
400 |
800 |
—— |
—— |
—— |
-4075□ |
| 0.63~1.4 |
900 |
1,800 |
—— |
—— |
—— |
-4075□ |
负载电源电压440V时
|
变压器一
次侧的直
流电阻(Ω)
|
冲击电流
(A)
|
SSR的浪
涌接通电
流容量(A)
|
适用SSR
|
|
G3P□
|
G3NA
|
G3NE
|
G3NH
|
| 8.3以上 |
75 |
150 |
—— |
-410□ |
—— |
—— |
| 5.7~8.2 |
110 |
220 |
-420□
-430□ |
-420□ |
—— |
—— |
| 2.9~5.6 |
220 |
440 |
-435□
-445□ |
—— |
—— |
—— |
| 1.6~2.8 |
400 |
800 |
—— |
—— |
—— |
-4075□ |
| 0.70~1.5 |
900 |
1,800 |
—— |
—— |
—— |
-4075□ |
负载电源电压480V时
|
变压器一
次侧的直
流电阻(Ω)
|
冲击电流
(A)
|
SSR的浪
涌接通电
流容量(A)
|
适用SSR
|
|
G3P□
|
G3NA
|
G3NE
|
G3NH
|
| 9.1以上 |
75 |
150 |
—— |
-410□ |
—— |
—— |
| 6.2~9.0 |
110 |
220 |
-420□
-430□ |
-420□ |
—— |
—— |
| 3.1~6.1 |
220 |
440 |
-450□ |
—— |
—— |
—— |
8. 变压器的分接头转换
通过SSR切换变压器的分接头时, 请注意感应OFF侧SSR的电压。 感应电压与卷数( 分接头电压) 成比例。
下图中,电源电压200V, N1=100次、N2=100次,若SSR2置于 ON, 则会在SSR1两端施加电源电压2倍的电压400V, 因此, 对 于SSR1, 务必使用400V的SSR。

■SSR的使用方法
●散热设计
①SSR的发热量
作为输出半导体用于SSR的三端双向可控硅开关、晶闸管、功 率晶体管, 即使在接通时, 半导体内部仍有残留电压。这是输 出接通电压下降。为此, 流入负载电流时SSR会产生焦耳热。
此时的发热量P如下计算:
发热量P (W)=输出接通电压下降(V)×通电电流(A)
例如, 使用G3NA-210B通负载电流8A的话为:
P=1.6V×8A=12.8W
功率MOS FET在输出半导体上使用的MOS FET继电器, 不是残 留电压, 用ON电阻计算发热量。
发热量P (W) 如下计算:
P (W) =负载电流2 (A) ×ON电阻(Ω)
用G3RZ负载电流为0.5A时, 为 P(W)=0.52A×2.4Ω=0.6W
电源MOS FET有根据温度上升ON电阻的特性。因此, 通电中 ON电阻是变化的。负载电流为额定的80%以上时,简易算法为 用ON电阻的1.5倍来计算。
P(W)=12A×2.4Ω×1.5=3.6W
SSR一般到5A程度没有散热器也可以, 但超过的话就一定要有 散热器。随着负载电流的变大, 需要更大型的散热器。与有接 点的继电器相比10A以上含散热器的尺寸差很显著, 小型化的 特点会变得不利。
②散热器的选择
另行安装散热器的SSR (G3NA、G3NE、G3PB (三相)等) 中备有标准散热器, 请从商品样本上选择符合负载电流的标准 散热器。
例如,
G3NA-220B: Y92B-N100
G3NE-210T(L): Y92B-N50
G3PB-235B-3H-VD: Y92B-P200
使用市场上销售的散热器时, 请选用热电阻小于本公司标准散 热器的散热器。
例如、Y92B-N100 的热电阻值为
Y92B-N100的热电阻值=1.631℃/W
如果散热器的热电阻值比该值更小(如1.5℃/W), 则可在额 定的条件下使用G3NA-220B。
热电阻值表示每单位热量(W) 的温度上升, 该值越小则散热 性越好。
③散热板面积的计算方法
将另行安装散热器的SSR直接安装在控制柜等框架上使用时, 必须注意下列事项。
·将用于一般柜上的铁材料作为散热板使用时, 请尽量避免10A以上的连续通电。
这是因为, 与铝材相比, 铁的热传导率较低。热传导率(单位:W·m· ℃)
根据材料不同,如下所示。
铁材料=20~50
铝材料=150~220
推荐使用铝板作为直接安装SSR的散热板。必要的散热面积 请参见样本中各机种的数据。
·在SSR的安装面(全部) 和散热板之间, 请务必涂敷散热用的硅酮润滑脂
(东芝硅酮YG6260、信越硅酮G746等) 及热传导薄板。若仅将SSR安装在散热板上,
会留有空隙, 来自SSR的发热不能完全散热, 可能会导致SSR的过热破坏及热老化。
④控制柜的散热设计
不仅SSR, 使用半导体的控制设备均会自我发热。一旦环境温 度上升, 半导体的故障率就会大幅增加, 若温度上升10℃, 则 故障率会增加至2倍(阿伦纽斯模型) 因此, 要抑制控制柜内的温度上升, 很重要的一点是要确保控 制设备的长期可靠性。
控制柜内存在着各种发热设备, 因此必须考虑局部的温度上 升。表示作为控制柜整体的散热设计的思路。
假设固体墙两侧的高温流体和低温流体的温度分别为th、tc,传 热面积为A时, 通过固体墙移动的传热量Q可表示为下式。
Q=K(th—tc)A
这里的K为热通过系数(W/m2℃) ,该方式也称为热通过的方 式。

对于控制柜发出的传热量, 若根据热通过的公式,
控制柜的平均热通过率K(W/m2℃)、
控制柜内温度Th (℃)
控制柜外温度Tc (℃)
控制柜的表面积S(m2)
则控制柜发出的热通过的传热量Q为
Q=k×(Th—Tc)×S
因此,
控制柜内的期望温度 Th
控制柜风的总发热量 P1 (W)
所需冷却能力 P2 (W)
则, 必要冷却能力根据下列公式计算。
P2=P1—k×(Th—Tc)×S
空气中的一般固体墙自然对流时, 热通过率k为4~12 (W/m2℃)。 为通常的控制柜(冷却风扇等完全没有时) 时, 若以4~6 (W/m2℃) 来计算, 以经验来判断, 则与实际基本一致。
使用该值计算实际控制柜的必要冷却能力, 如下所示。
例
· 控制柜内期望设定温度 40℃
· 控制柜外温度 30℃
· 控制柜尺寸 宽2.5m×高2m×深0.5m的
自立型控制柜(底面部应从表面积中除去)
· SSR G3PA-240B 以30A连续使用20台
· SSR以外的控制设备的总发热量500W
控制柜内总发热量P1
P1=输出ON电压下降1.6V×负载电流30A×20台+SSR以外的控制设备的总发热量=960W+500W=1460W
控制柜发出的散热量Q2
Q2=热通过率5×(40℃-30℃)×(2.5m×2m×2+0.5m×2m×2+2.5m×0.5m)=662.5W
因此, 所需冷却能力P2为
P2=1460-663=797W
仅控制柜表面发出的散热还不充分,必须采取将797W以上的热 量排放至控制柜外的措施。
通常应设置必要能力换气用的风扇, 但是。仅通过风扇冷却能 力仍不足时, 还应设置控制柜用冷气。控制柜用冷气不仅能制 冷、还对防湿、防尘也很有效, 对长期使用控制柜是很有效 的。
轴流风扇 欧姆龙制 R87B/F/T系列
控制柜用冷气 APISTE制 ENC系列
⑤冷却装置的种类
换气用风扇
用于通常的换气冷却。
本公司准备了R87F、R87T等的AC轴流风扇系列商品。

热转换器
将控制柜内的热通过热管排放的构造, 可以隔离控制柜内和柜 外, 因此也可在多灰尘多油污的地方使用。

控制柜用冷气
可以实现最高冷却能力的同时, 通过隔离控制柜内、柜外, 具有 防尘及除湿效果。

■SSR的安装方法
●安装到控制柜
若为密闭柜, 则SSR所产生的热积聚在内部, 由于SSR的通电能 力降低, 还会对其他的电子设备产生不好的影响。使用时请务必 在柜的上部和下部设置通风用的孔。以下以G3PA的推荐例进行说 明。下述示例仅为标准, 最终使用时请执行④项的「设置后的确 认」。




④设置后的确认
上述条件是本公司已确认过的代表例。根据其使用环境也有不 同的情况, 需测定最终通电中的环境温度, 并请确认满足各型 号所规定的「负载电流-环境温度额定」。
环境温度的测定条件
(1)控制柜内的温度作为最高的通电条件, 请在饱和状态下测定 环境温度。
(2)环境温度测定位置请参见图1。若在测定100mm距离以内有导管或其他设备时,
请参见图2。另外, 无法测定侧面温度时, 请参见图3。

(3)在柜内2层以上安装SSR时,请测定所有层的环境温度,并以温度最高的地方为基准。
但是, 测定条件达不到上述要求时,请另外咨询。
环境温度的定义
SSR以通过自然对流形成散热为基本。为此, 将SSR进行散 热的空气温度作为环境温度。
|